quote:以下是引用奔波工控人在2013-11-23 21:32:52的发言:
同样这个程序,为什么我的MW400 和mw402不累积加数,一直保持为0 呢。如何需要获取T1 T2的上升沿信号该怎么做呢?
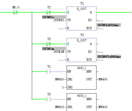
简单一点就是把累加指令放在定时器前面,但仍然有很小很小的几率出现不执行累加指令的情况,都是定时器异步刷新的原因。
推荐的处理方法,不用定时器自己的常闭点来控制, 即定时器动作后,执行累加指令,然后赋值中间变量,用中间变量控制定时器,这样就确保了定时器时间到后执行了累加指令后定时器才会被重置。