quote:以下是引用看雪001在2013-11-23 15:45:07的发言:http://www.ad.siemens.com.cn/service/answer/tobe_solution.aspx?Q_ID=106530&cid=1029
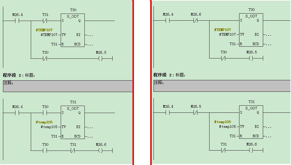
楼主是用梯形图编的,可能还不能上传图片,只好将视图转为STL,看得让人一头雾水。
我复制楼主的程序粘贴到程序块中,再将视图转为LAD,见下图:

我是用梯形图编的,然后转化到STL,看着是有点晕,不过梯形图很简单的一段程序。你的第二个图我会测试一下,哎,真郁闷