回复:siemens直流电动机温度测量

kdrjl

版主 西门子1847工业学习平台

  • 帖子

    36725
  • 精华

    451
  • 被关注

    1451

论坛等级:至圣

注册时间:2003-06-06

钻石 钻石 如何晋级?

发布于 2014-01-30 10:21:44

3楼

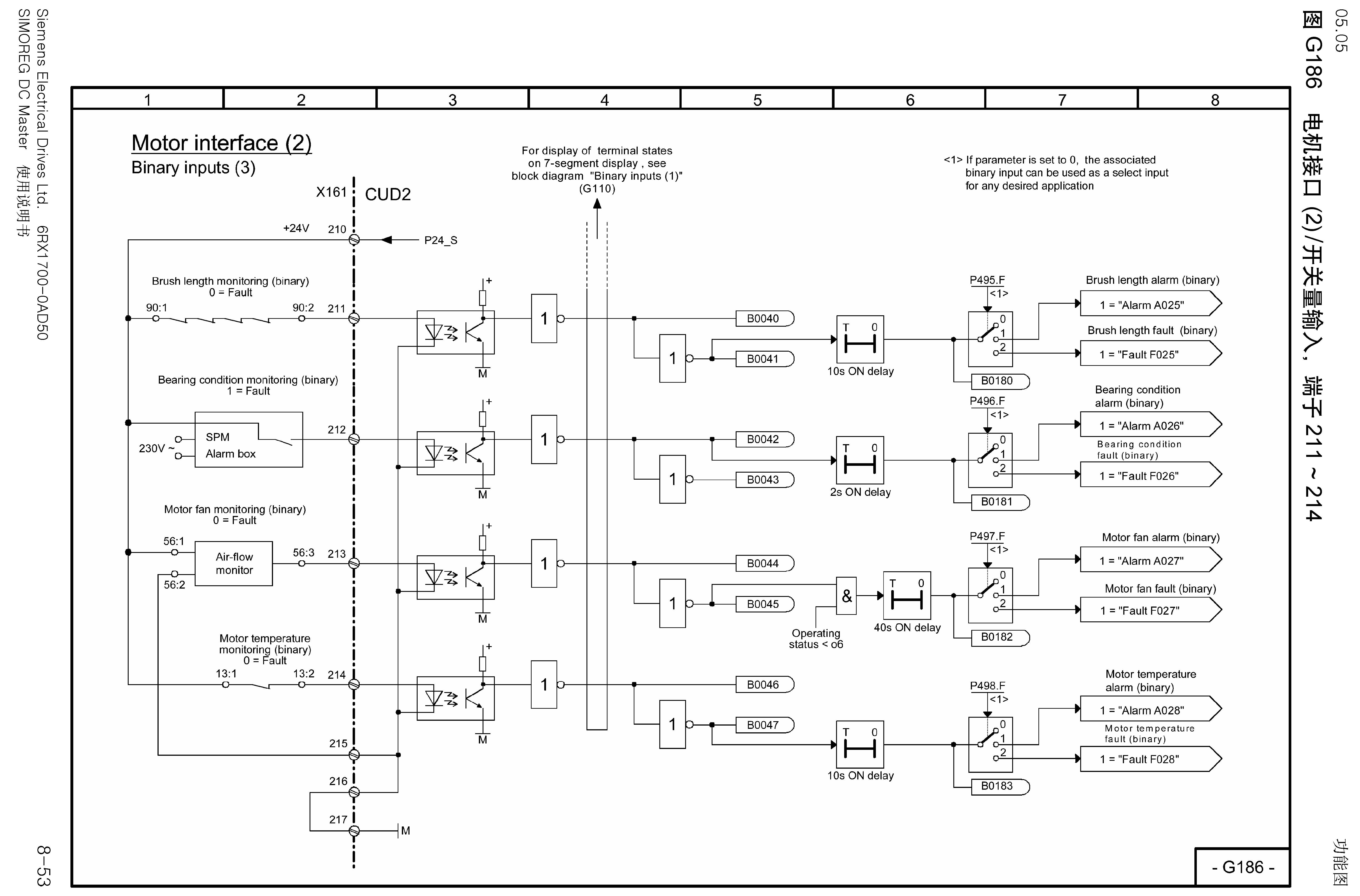
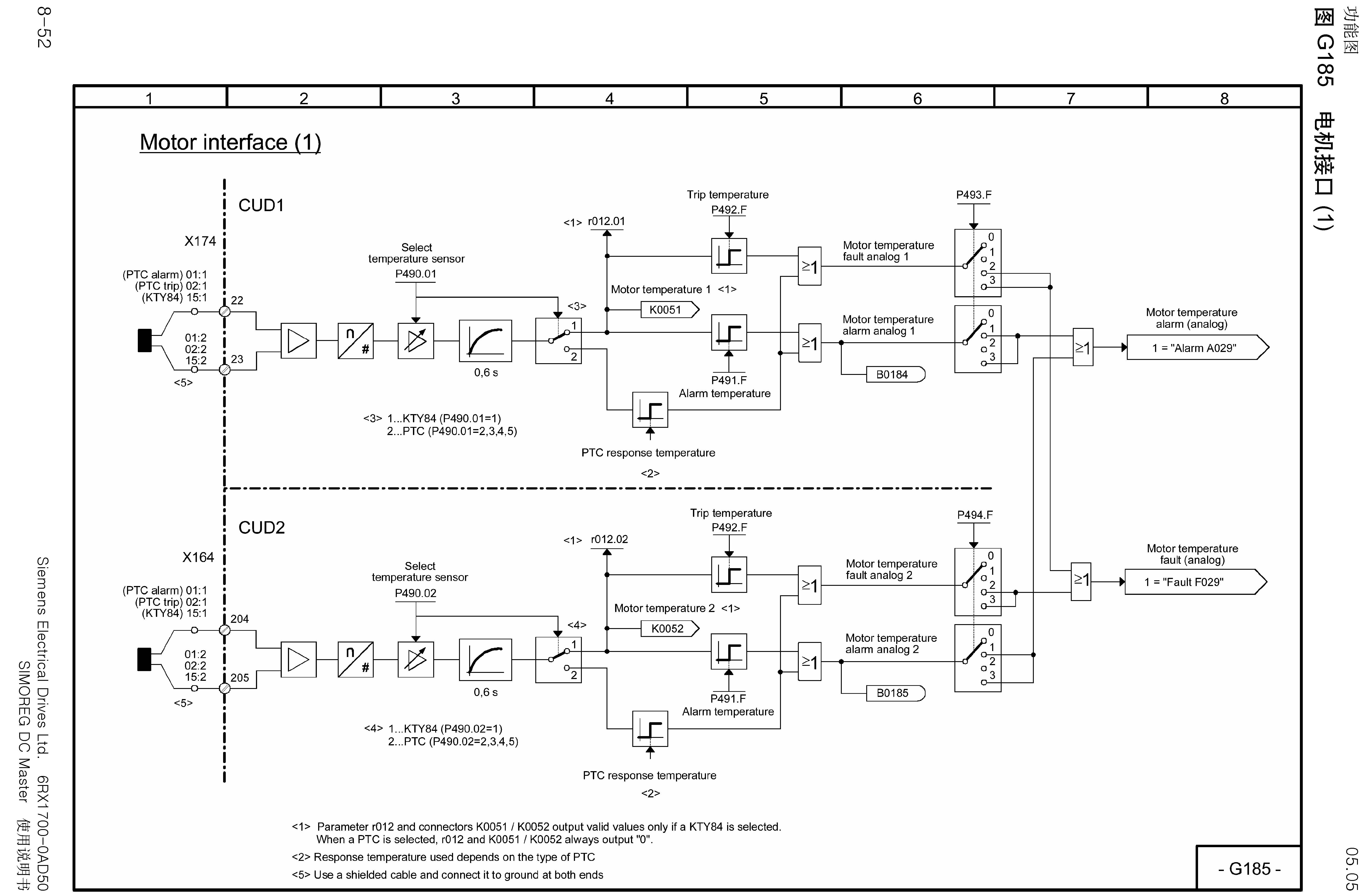
关于温度保护,6RA70有很完备的功能。可以直接输入温度检测传感器信号,也可输入与温度相关的开关量的信号:



图1,CUDI本机自带的温度传感器端子




图2,CUD2附加接口板的端子




图3,两块板的端子接口功能图




图4,附加板的电机有关的接口功能图,可以由外部的温度相关的继电器触发




图5,相关的参数设置




图6,相关的参数设置
我是你的朋友
评论
编辑推荐: 关闭

请填写推广理由:

本版热门话题

电机

共有3150条技术帖

相关推荐

热门标签

相关帖子推荐

guzhang

恭喜,你发布的帖子

评为精华帖!

快扫描右侧二维码晒一晒吧!

再发帖或跟帖交流2条,就能晋升VIP啦!开启更多专属权限!

  • 分享

  • 只看
    楼主

top
X 图片
您收到0封站内信:
×
×
信息提示
很抱歉!您所访问的页面不存在,或网址发生了变化,请稍后再试。