两个NCU之间通信

已锁定

Siemens TIA

  • 帖子

    489
  • 精华

    4
  • 被关注

    39

论坛等级:侠圣

注册时间:2011-11-01

普通 普通 如何晋级?

两个NCU之间通信

1921

12

2014-02-19 06:36:57

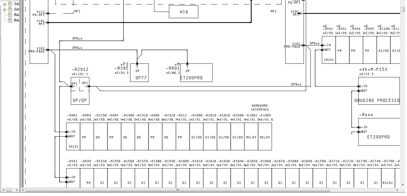
想了解一下,两个NCU之间的通信,PLC和NC都有可以通过profibus通信吗?





两个NCU之间通信 已锁定
编辑推荐: 关闭

请填写推广理由:

本版热门话题

SINUMERIK

共有25763条技术帖

相关推荐

热门标签

相关帖子推荐

guzhang

恭喜,你发布的帖子

评为精华帖!

快扫描右侧二维码晒一晒吧!

再发帖或跟帖交流2条,就能晋升VIP啦!开启更多专属权限!

  • 分享

  • 只看
    楼主

top
X 图片
您收到0封站内信:
×
×
信息提示
很抱歉!您所访问的页面不存在,或网址发生了变化,请稍后再试。