回复:70系列变频器PMU操作面板接口

nnnn1234

  • 帖子

    5016
  • 精华

    57
  • 被关注

    224

论坛等级:至圣

注册时间:2010-02-22

钻石 钻石 如何晋级?

发布于 2014-02-28 19:19:59

2楼

quote:以下是引用旎戈在2014-02-27 16:26:24的发言:
请高人指点:
70系列变频器PMU操作面板接口是RS232还是RS485接口?

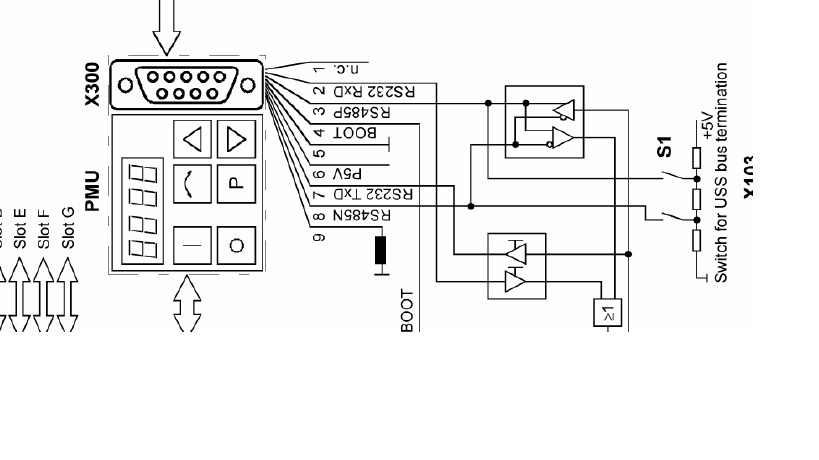
除增强书本型的外,可以通过设置跳线开关来选择是RS232还是RS485接口。如下图,具体参考矢量大全。



The darkness is no darkness with thee.
评论
编辑推荐: 关闭

请填写推广理由:

本版热门话题

MasterDrives

共有5854条技术帖

相关推荐

热门标签

相关帖子推荐

guzhang

恭喜,你发布的帖子

评为精华帖!

快扫描右侧二维码晒一晒吧!

再发帖或跟帖交流2条,就能晋升VIP啦!开启更多专属权限!

  • 分享

  • 只看
    楼主

top
X 图片
您收到0封站内信:
×
×
信息提示
很抱歉!您所访问的页面不存在,或网址发生了变化,请稍后再试。