总线问题探讨

已锁定

Siemens TIA

  • 帖子

    489
  • 精华

    4
  • 被关注

    39

论坛等级:侠圣

注册时间:2011-11-01

普通 普通 如何晋级?

总线问题探讨

602

1

2014-04-24 20:40:57

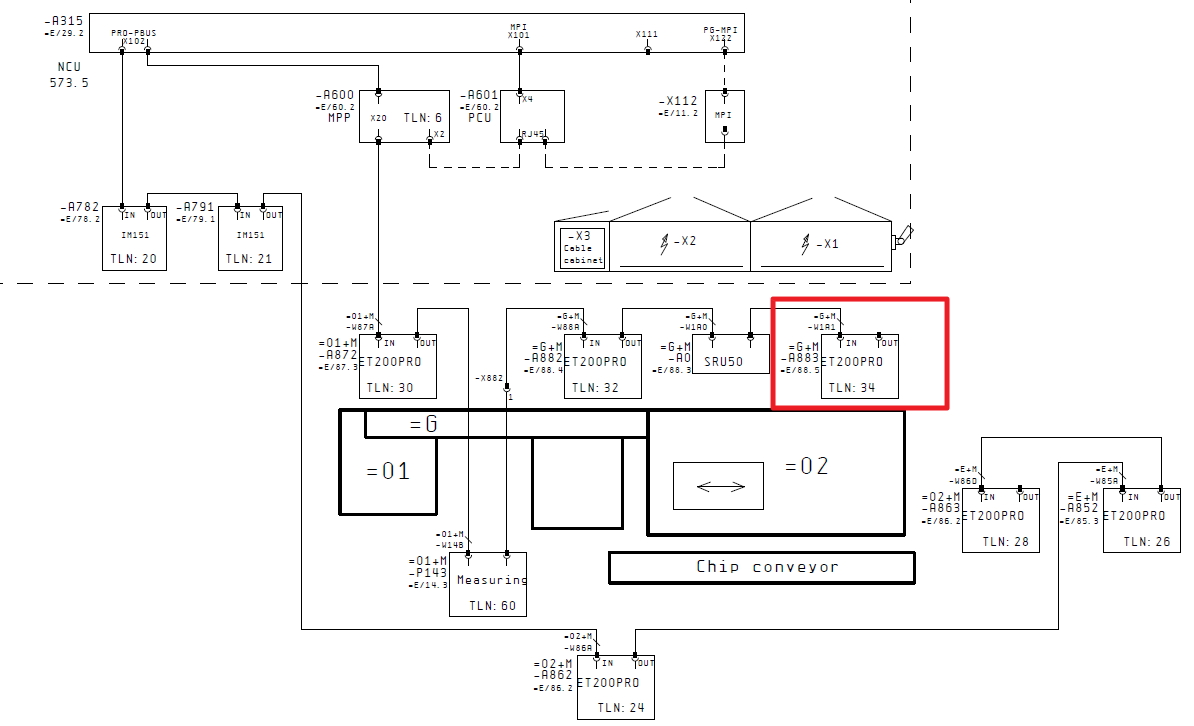
各位大侠好,有个关于总线的问题请教一下、r如下图所示:


设备报警显示用 p'r'ofibus连起来的24、26、28、32、34 这几个站有故障,后来发现是34这个站接口模块进水了,更换新的以后恢复正常。关于这个问题,我有几个疑问:1.为什么34出现故障,会导致其他几个站同时出现故障? 2.离34、32最近的站是30,为什么30不会出现报警? 3.X102出来了两根总线,本质上他们还是一根线? 4.总线的IN、OUT如果接反了有什么区别?正常情况下siemens的模块进出接口不一样,插错了肯定进不去,假设接反了会出现什么情况?





总线问题探讨 已锁定
编辑推荐: 关闭

请填写推广理由:

本版热门话题

SIMATIC S7-300/400

共有54621条技术帖

相关推荐

热门标签

相关帖子推荐

guzhang

恭喜,你发布的帖子

评为精华帖!

快扫描右侧二维码晒一晒吧!

再发帖或跟帖交流2条,就能晋升VIP啦!开启更多专属权限!

  • 分享

  • 只看
    楼主

top
您收到0封站内信:
×
×
信息提示
很抱歉!您所访问的页面不存在,或网址发生了变化,请稍后再试。