回复:S120 Trace功能记录的故障曲线解释

禾好

  • 帖子

    828
  • 精华

    44
  • 被关注

    18

论坛等级:侠圣

注册时间:2014-02-11

普通 普通 如何晋级?

发布于 2014-04-28 21:56:49

14楼

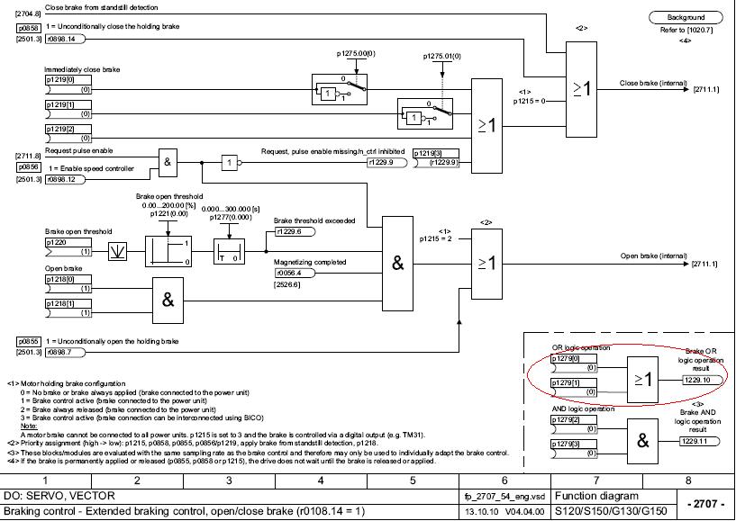
上次给楼主留的图片,电气上能保持一致就好,机械保证的确不大容易。





评论
编辑推荐: 关闭

请填写推广理由:

本版热门话题

SINAMICS

共有8126条技术帖

相关推荐

热门标签

相关帖子推荐

guzhang

恭喜,你发布的帖子

评为精华帖!

快扫描右侧二维码晒一晒吧!

再发帖或跟帖交流2条,就能晋升VIP啦!开启更多专属权限!

  • 分享

  • 只看
    楼主

top
X 图片
您收到0封站内信:
×
×
信息提示
很抱歉!您所访问的页面不存在,或网址发生了变化,请稍后再试。