回复:6se70变频器报闸问题

kdrjl

版主 西门子1847工业学习平台

  • 帖子

    36772
  • 精华

    452
  • 被关注

    1455

论坛等级:至圣

注册时间:2003-06-06

钻石 钻石 如何晋级?

发布于 2014-05-19 20:10:57

1楼

说了半天还是看不懂楼主的问题,你到底出现什么问题了,什么叫改写抱闸控制就不行了?怎么改写抱闸控制了?怎么不行了?什么现象?能否进一步的描述呢?




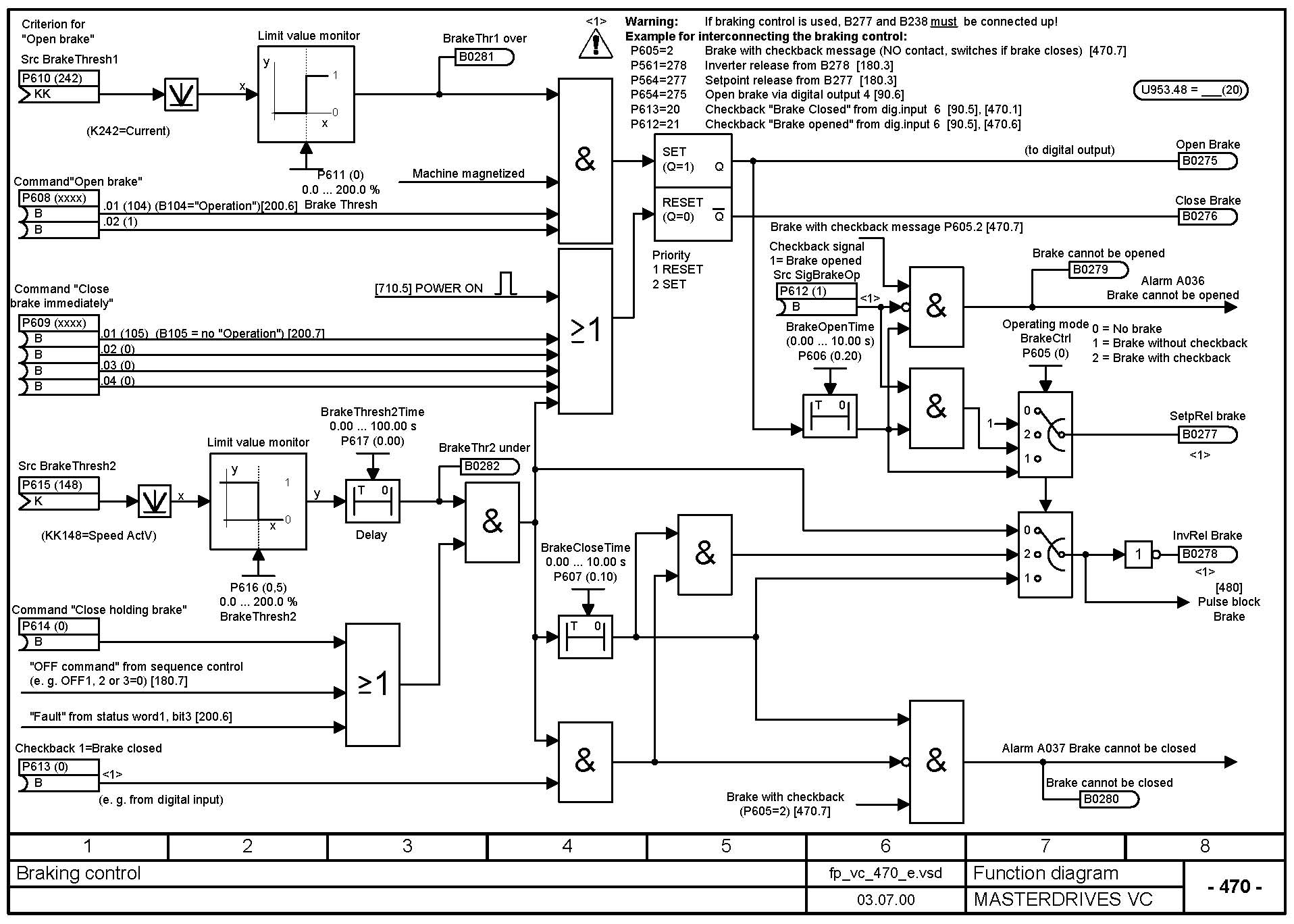
这就是那张关于抱闸控制的功能图,你想实现什么?描述一下,另外那个U953.48 = 20必须要改才能起作用,把20改成10即可。

U953.48 = 2 ?是笔误吗?如果不是,请改成10足矣。
我是你的朋友
评论
编辑推荐: 关闭

请填写推广理由:

本版热门话题

MasterDrives

共有5854条技术帖

相关推荐

热门标签

相关帖子推荐

guzhang

恭喜,你发布的帖子

评为精华帖!

快扫描右侧二维码晒一晒吧!

再发帖或跟帖交流2条,就能晋升VIP啦!开启更多专属权限!

  • 分享

  • 只看
    楼主

top
X 图片
您收到0封站内信:
×
×
信息提示
很抱歉!您所访问的页面不存在,或网址发生了变化,请稍后再试。