回复:摩擦转矩补偿和加减速惯性转矩补偿怎么做?

csyyy

  • 帖子

    185
  • 精华

    1
  • 被关注

    29

论坛等级:侠圣

注册时间:2013-07-22

普通 普通 如何晋级?

发布于 2014-08-22 11:00:03

3楼

展开查看
以下是引用kdrjl在2014-08-21 20:02:28的发言 >2楼:贴一个直流的摩擦与惯性补偿:

6RA70的系统摩擦与惯性补偿:






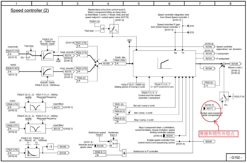
6RA80的系统摩擦与惯性补偿(与70如出一辙)




请问K大师 有无120相关的曲线和图示呢
还可以做的更好!
评论
编辑推荐: 关闭

请填写推广理由:

本版热门话题

SINAMICS

共有8095条技术帖

相关推荐

热门标签

相关帖子推荐

guzhang

恭喜,你发布的帖子

评为精华帖!

快扫描右侧二维码晒一晒吧!

再发帖或跟帖交流2条,就能晋升VIP啦!开启更多专属权限!

  • 分享

  • 只看
    楼主

top
您收到0封站内信:
×
×
信息提示
很抱歉!您所访问的页面不存在,或网址发生了变化,请稍后再试。