回复:flexible 2008如何判断与plc的通讯是否正常?

qzcq

  • 帖子

    797
  • 精华

    5
  • 被关注

    29

论坛等级:奇侠

注册时间:2005-11-03

白金 白金 如何晋级?

发布于 2014-08-29 11:16:33

1楼

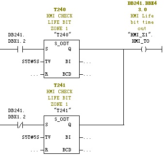
winccflexible中有个区域指针,其中有个协调指针,协调指针的第二位为状态位,状态位的作用:HMI 设备以约为一秒的时间间隔对状态位取反。 可通过在 PLC 程序中查询此位来检查与 HMI 设备的连接是否仍然存在。
即可在plc中编程对该状态位查询,如下图:



DB241.DBX43.0即为通讯断开标志。
评论
编辑推荐: 关闭

请填写推广理由:

本版热门话题

SIMATIC WinCC / Panel

共有32975条技术帖

相关推荐

热门标签

相关帖子推荐

guzhang

恭喜,你发布的帖子

评为精华帖!

快扫描右侧二维码晒一晒吧!

再发帖或跟帖交流2条,就能晋升VIP啦!开启更多专属权限!

  • 分享

  • 只看
    楼主

top
X 图片
您收到0封站内信:
×
×
信息提示
很抱歉!您所访问的页面不存在,或网址发生了变化,请稍后再试。