回复:S120中“速度控制器PI自适应调节”功能作用及如何设置?特别是参数P1455

kdrjl

版主 西门子1847工业学习平台

  • 帖子

    36785
  • 精华

    452
  • 被关注

    1459

论坛等级:至圣

注册时间:2003-06-06

钻石 钻石 如何晋级?

发布于 2014-08-31 14:58:24

1楼




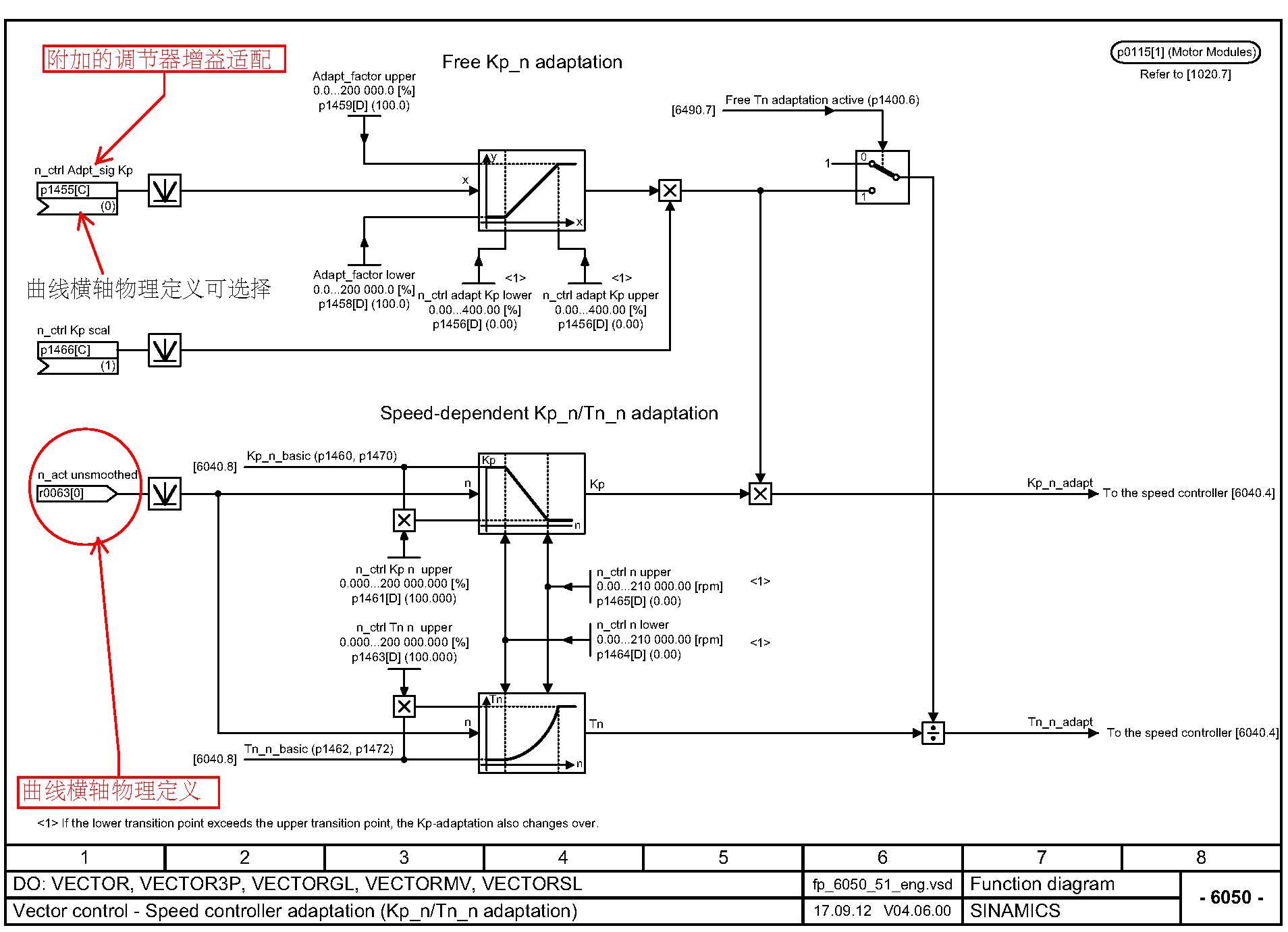
由图示可知,S120的速调自适应给出了两种选项,其一,就是横坐标被固定为速度实际值,其二是可选择地连接,比如负载电流或转矩等。

这充分的说明了这个自适应调节的功能的通用性和灵活性。它既满足一般的自适应配置需求,也满足于特殊的自适应配置。很好很强大呀。我们国内自己开发的控制器,若是也能有这种平台提供给用户,那该多好呀。
我是你的朋友
评论
编辑推荐: 关闭

请填写推广理由:

本版热门话题

SINAMICS

共有8163条技术帖

相关推荐

热门标签

相关帖子推荐

guzhang

恭喜,你发布的帖子

评为精华帖!

快扫描右侧二维码晒一晒吧!

再发帖或跟帖交流2条,就能晋升VIP啦!开启更多专属权限!

  • 分享

  • 只看
    楼主

top
X 图片
您收到0封站内信:
×
×
信息提示
很抱歉!您所访问的页面不存在,或网址发生了变化,请稍后再试。