PID输出问题

已锁定

飞天281

  • 帖子

    227
  • 精华

    0
  • 被关注

    2

论坛等级:侠客

注册时间:2009-08-11

普通 普通 如何晋级?

PID输出问题

1076

5

2014-09-05 17:39:04

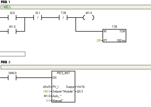
图1

图2


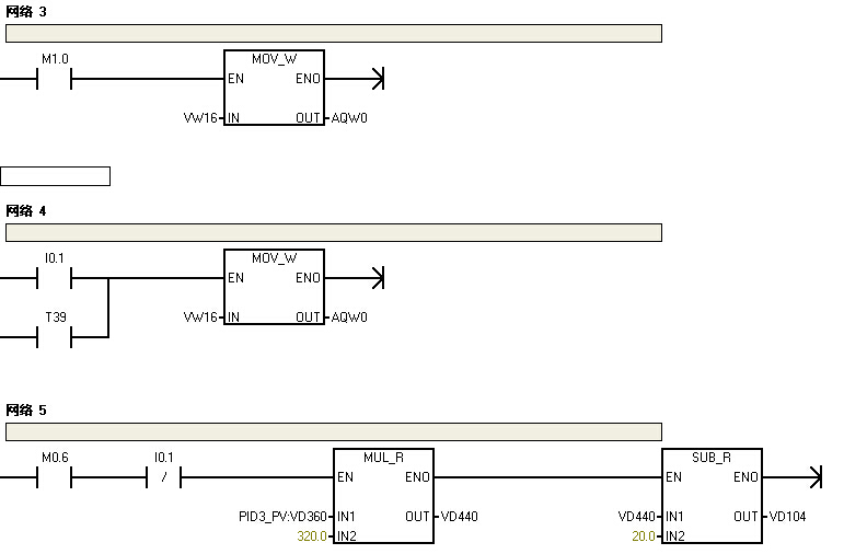
图3


PID输出问题 已锁定
编辑推荐: 关闭

请填写推广理由:

本版热门话题

SIMATIC S7-200

共有33266条技术帖

相关推荐

热门标签

相关帖子推荐

guzhang

恭喜,你发布的帖子

评为精华帖!

快扫描右侧二维码晒一晒吧!

再发帖或跟帖交流2条,就能晋升VIP啦!开启更多专属权限!

  • 分享

  • 只看
    楼主

top
X 图片
您收到0封站内信:
×
×
信息提示
很抱歉!您所访问的页面不存在,或网址发生了变化,请稍后再试。