二 接收指示灯
接收指示灯有两种:
1 通讯口打开指示灯 (将SM87.7/SM187.7=1 再执行RCV 就打开通讯口了)
2 接收数据指示灯
就像饭店开门和进客人一样,开门是“通讯口打开”,进客人是“接收数据”,不开门就没客人进来,但开门了,也不一定有客人
比如一个主站在轮训几个从站的时候,在问完一个从站后需将将通讯口打开等待这个从站的数据,但从站会不会回复数据,那就不一定了,但你一定要把通讯口打开。
不论主站还是从站,在通讯的时候,如果通讯口始终不打开,相应的指示灯不亮,那么就要更改程序了 (不开门)
如果通讯口打开的指示灯亮了,但接收数据的指示灯不亮,说明对方没有发送数据 (开门没客人)
在接收数据指示灯亮的时候,通讯口打开指示灯就一定是亮的,反过来就不一定了
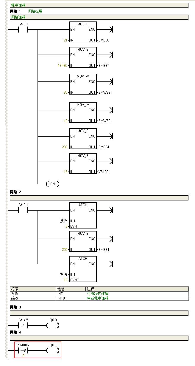
1 通讯口打开指示灯(以Q0.1为例)
PORT0口可以在主程序里加上
LDB= SMB86, 0
= Q0.1
PORT1口可以在主程序里加上
LDB= SMB186, 0
= Q0.1
和发送指示灯一样,这里用的是系统的SM信息,没占用V M T等资源
例1:主站
特点:通讯口打开的时候很短
Q0.0和Q0.1在交替闪烁



例2:从站
特点:通讯口基本就是在打开等数据,等到主站数据,那么就回复,然后再等待,所以通讯口打开的时候很长
用串口调试助手向PORT0发送数据,发送的数据多,Q0.0亮的时间就长一点,不发数据,那么Q0.1就在亮。

