回复:功能强大的过程调节器 SIPART DR24

下沙

  • 帖子

    2307
  • 精华

    17
  • 被关注

    7

论坛等级:侠圣

注册时间:2003-11-25

普通 普通 如何晋级?

发布于 2005-03-15 13:36:27

0楼



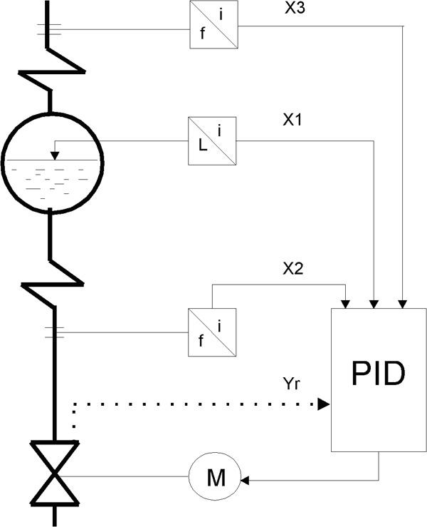
可以用于锅炉汽包水位控制。
评论
编辑推荐: 关闭

请填写推广理由:

本版热门话题

过程仪表

共有3137条技术帖

相关推荐

热门标签

相关帖子推荐

guzhang

恭喜,你发布的帖子

评为精华帖!

快扫描右侧二维码晒一晒吧!

再发帖或跟帖交流2条,就能晋升VIP啦!开启更多专属权限!

  • 分享

  • 只看
    楼主

top
X 图片
您收到0封站内信:
×
×
信息提示
很抱歉!您所访问的页面不存在,或网址发生了变化,请稍后再试。