smart系列HMI与PLC系统时钟的显示

已锁定

茂林修竹

  • 帖子

    825
  • 精华

    1
  • 被关注

    19

论坛等级:侠圣

注册时间:2010-04-17

普通 普通 如何晋级?

smart系列HMI与PLC系统时钟的显示

777

0

2014-11-26 15:03:50

展开查看
引用自找答案,问题ID:121608

用 WinCC flexible 2008 做屏程序,在屏上做了个时间域,功能就是能知道时间当钟表用,连上PLC后前天显示的时间是正确的,可是昨天我重新下载程序后,时间就显示为:2004-1-1 00:00:00,PLC我设置了一下系统时间,
这个应该怎么解决。截图如下

提问者:五千春秋


WWCWWC 回答道:

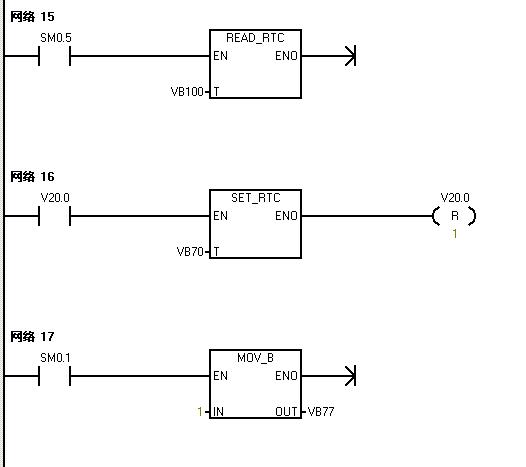
西门子smart系列HMI设备内部没有时钟功能,只能读取PLC系统时钟来实现时间显示,这个问题只能调用写入时钟指令来完成(set_rtc),写入时注意数据类型为字节。
在PLC和smart屏中组态相应的I/O输入域和写入系统时钟程序段下载到cpu,这样当时钟由于断电后,就可以通过人工输入修正时间了。

还有5人在找答案上回答了该问题,查看全部>
最近论坛老有人问屏上显示当前时间的问题,我斗胆把自己按照资源库里的资料做的发上来。





smart系列HMI与PLC系统时钟的显示 已锁定
编辑推荐: 关闭

请填写推广理由:

本版热门话题

SIMATIC WinCC / Panel

共有33024条技术帖

相关推荐

热门标签

相关帖子推荐

guzhang

恭喜,你发布的帖子

评为精华帖!

快扫描右侧二维码晒一晒吧!

再发帖或跟帖交流2条,就能晋升VIP啦!开启更多专属权限!

  • 分享

  • 只看
    楼主

top
X 图片
您收到0封站内信:
×
×
信息提示
很抱歉!您所访问的页面不存在,或网址发生了变化,请稍后再试。