回复:咨询电机转速的精确控制

kdrjl

版主 西门子1847工业学习平台

  • 帖子

    36715
  • 精华

    451
  • 被关注

    1450

论坛等级:至圣

注册时间:2003-06-06

钻石 钻石 如何晋级?

发布于 2015-01-04 19:39:30

8楼





回复7楼:
第一,带实际负载运行;
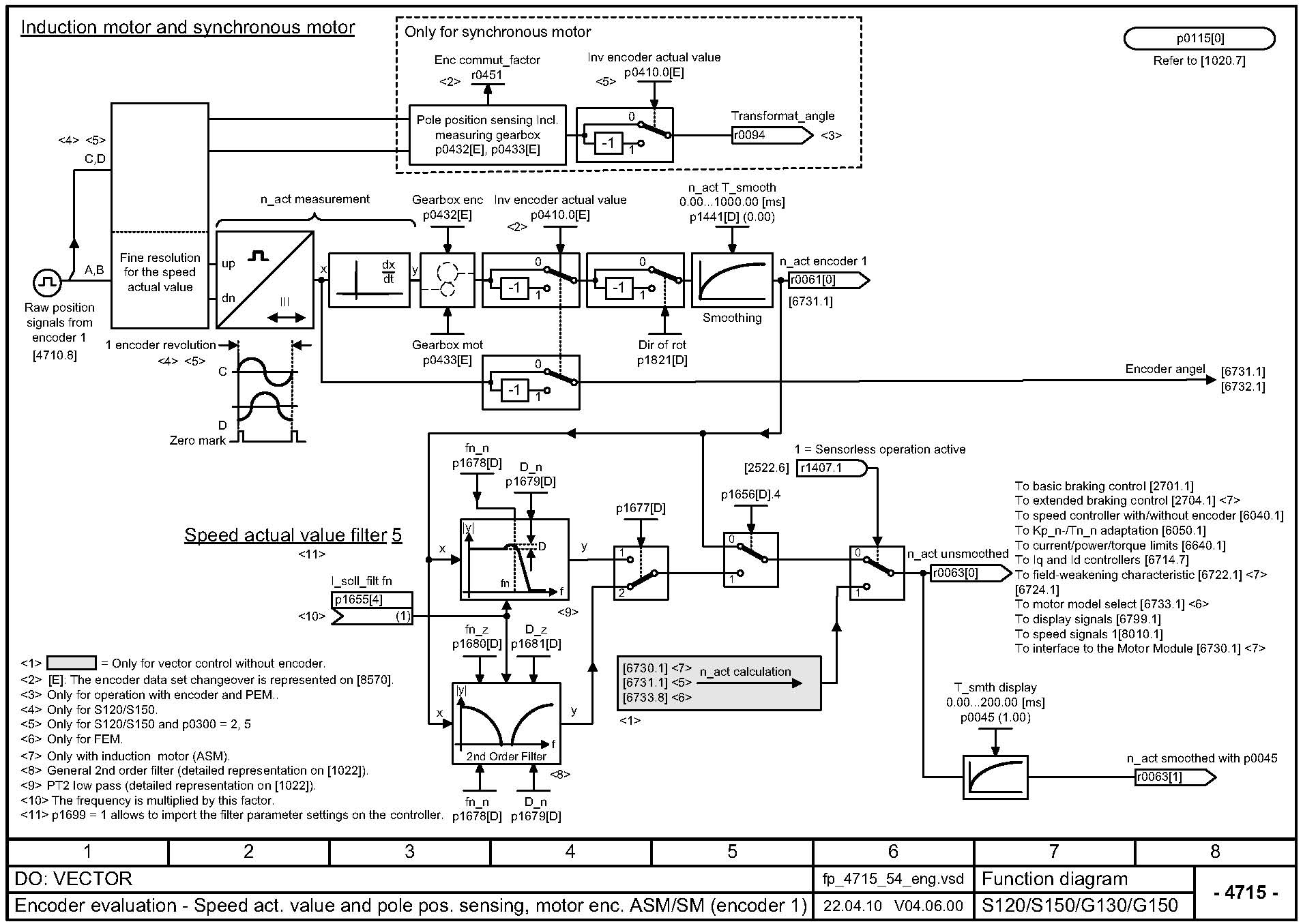
第二,转速实际值见上图示,滤波时间一般小于40ms。
第三,设置转速实际值滤波,不会影响控制精度!如果存在此问题,是编码器原始信号的问题,可能波形受到了噪声干扰,信号被叠加了毛刺所致。为了说明问题,你可以trace参数r0061和滤波后的r0063,做一个比较,即一目了然。
我是你的朋友
评论
编辑推荐: 关闭

请填写推广理由:

本版热门话题

电机

共有3150条技术帖

相关推荐

热门标签

相关帖子推荐

guzhang

恭喜,你发布的帖子

评为精华帖!

快扫描右侧二维码晒一晒吧!

再发帖或跟帖交流2条,就能晋升VIP啦!开启更多专属权限!

  • 分享

  • 只看
    楼主

top
X 图片
您收到0封站内信:
×
×
信息提示
很抱歉!您所访问的页面不存在,或网址发生了变化,请稍后再试。