回复:有一个功能图没理解透 请大神帮助

kdrjl

版主 西门子1847工业学习平台

  • 帖子

    36784
  • 精华

    452
  • 被关注

    1458

论坛等级:至圣

注册时间:2003-06-06

钻石 钻石 如何晋级?

发布于 2015-01-23 20:14:15

9楼







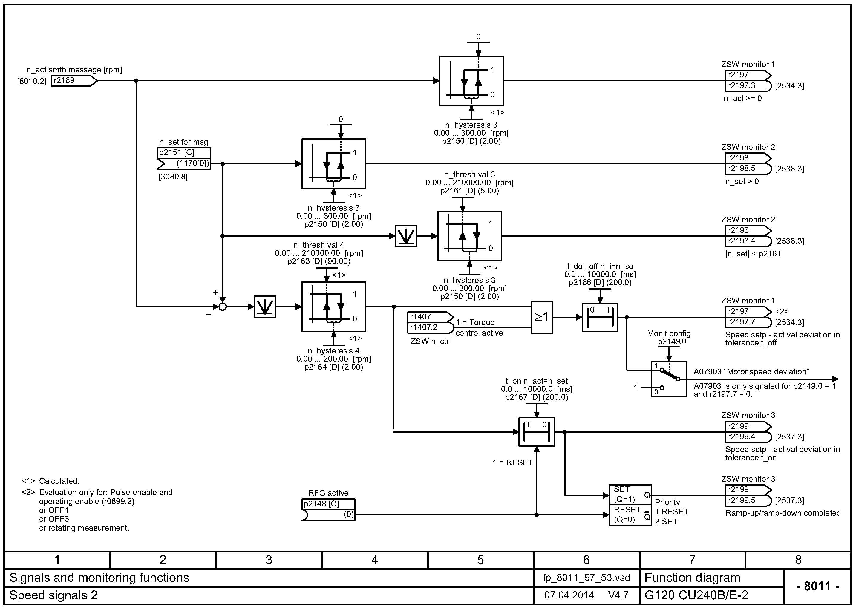
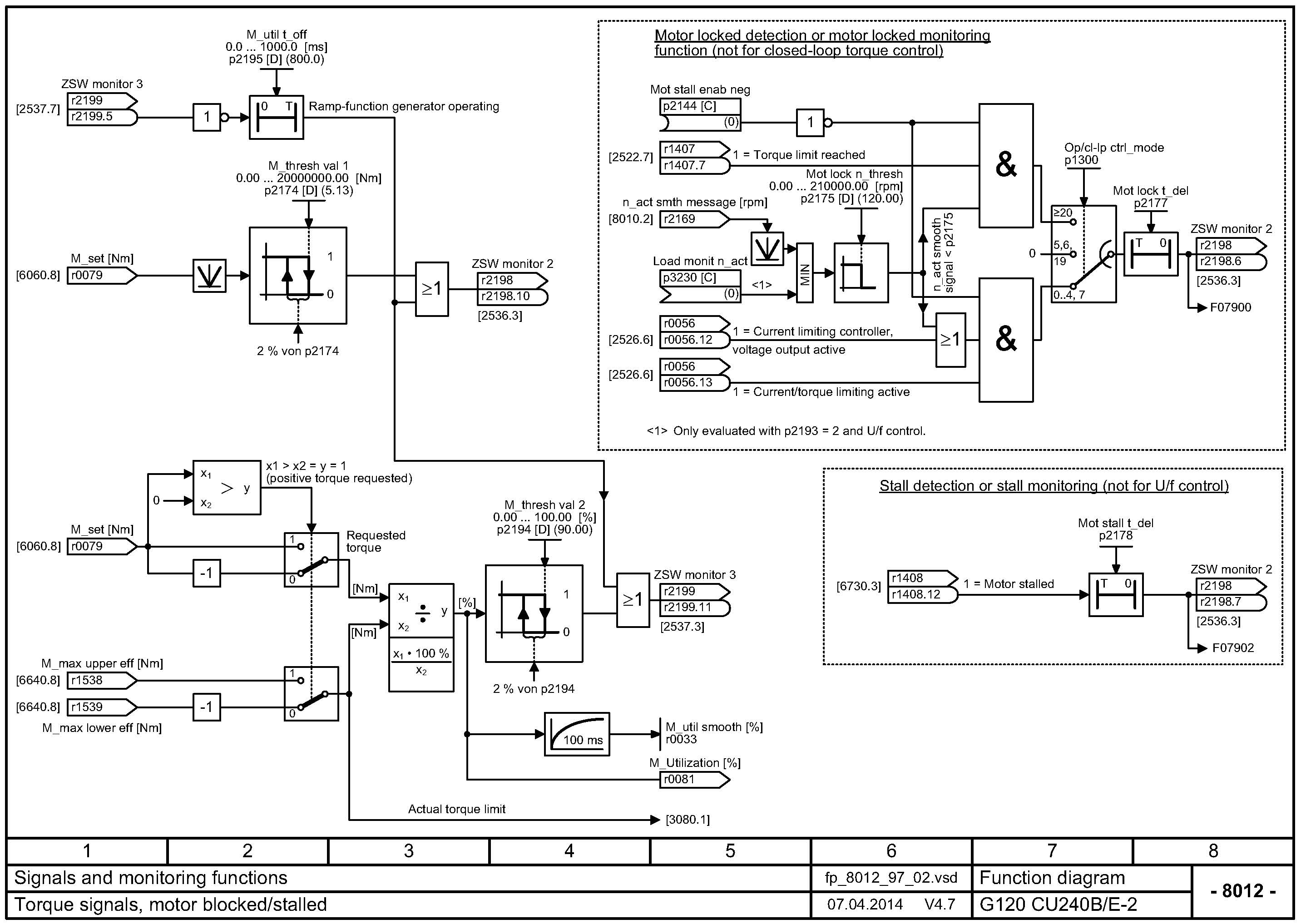
这两张图,讲的都是监控比较功能,看这个功能图,可以结合参数表中的参数注释一起来看。就比较好理解了。这里讲的是,转速的设定值和实际值都可以通过监控比较的设置来输出状态。你关心什么状态,就看相应的状态字即可。

那个 r2199.5 的信号代表加速过程结束,而他要和转矩的利用率做或运算,也就是说,当加速过程结束以后,才能看到被监控的转矩利用率是否达到阈值以上或以下。转矩的利用率阈值由你来设置。
我是你的朋友
评论
编辑推荐: 关闭

请填写推广理由:

本版热门话题

SINAMICS

共有8163条技术帖

相关推荐

热门标签

相关帖子推荐

guzhang

恭喜,你发布的帖子

评为精华帖!

快扫描右侧二维码晒一晒吧!

再发帖或跟帖交流2条,就能晋升VIP啦!开启更多专属权限!

  • 分享

  • 只看
    楼主

top
X 图片
您收到0封站内信:
×
×
信息提示
很抱歉!您所访问的页面不存在,或网址发生了变化,请稍后再试。