回复:6SE70已经炸了两次啊 啊啊 啊

yming

西门子1847工业学习平台

  • 帖子

    23200
  • 精华

    881
  • 被关注

    1254

论坛等级:至圣

注册时间:2004-03-06

钻石 钻石 如何晋级?

发布于 2015-02-01 13:46:12

149楼

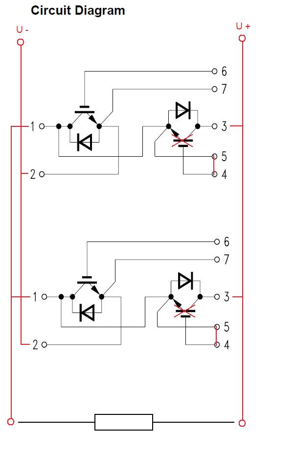
似乎就是你给的图,只不过4,5短接不用。
当然,也可能是像"赛扬"CPU似的。测试有缺陷,就生产单个IGBT使用的型号吧。反正,不会浪费。
(我猜的)


学而时习之,不亦说乎?温故而知新,不亦乐乎?
评论
编辑推荐: 关闭

请填写推广理由:

本版热门话题

MasterDrives

共有5854条技术帖

相关推荐

热门标签

相关帖子推荐

guzhang

恭喜,你发布的帖子

评为精华帖!

快扫描右侧二维码晒一晒吧!

再发帖或跟帖交流2条,就能晋升VIP啦!开启更多专属权限!

  • 分享

  • 只看
    楼主

top
X 图片
您收到0封站内信:
×
×
信息提示
很抱歉!您所访问的页面不存在,或网址发生了变化,请稍后再试。