
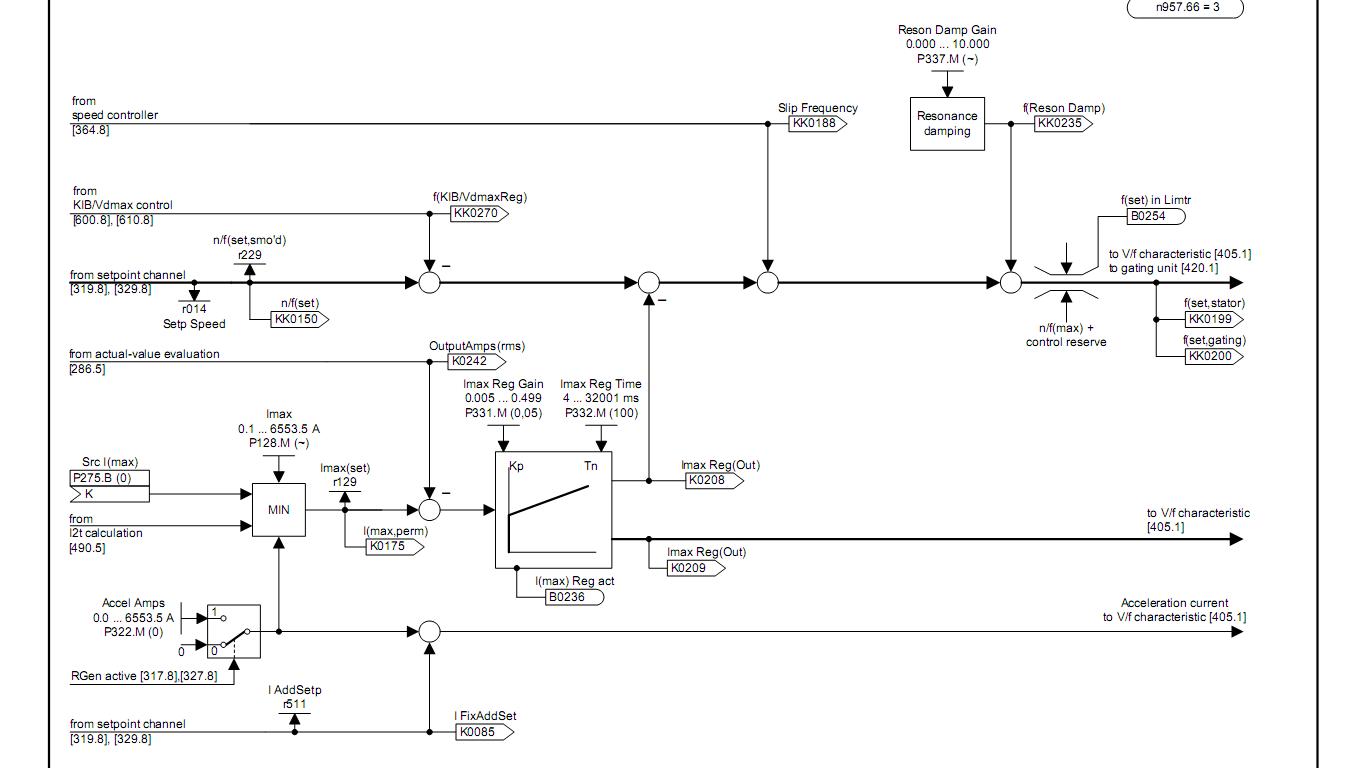
以上是功能图401(v/f open-loop control),看了几遍也没理出头绪。
1、Imax调节器是做限幅值和实际值之差的比例积分运算。疑惑的是如果实际值达不到限幅值岂不是越积越大?
2、斜坡发生器的输出r229(暂忽略kk270,因为看不懂...)与电流调节器的输出k208做减法是什么意思?
3、为什么有的比较点没有标明正反馈还是负反馈?
4、在70的speed control的功能图中的速度控制方式,频率控制方式,转矩控制方式输出都是k153(速度调节器输出),而只有v/f控制方式中输出为k188(转差速度),其实不同方式下的速度调节器基本一样,为什么?
本人底子差,陈老师的控制系统的教材也看了,论坛也搜了,不得要领。烦k版耐心点拨一二。