回复:MODBUS关于轮询的问题!求解答

恋雨L

  • 帖子

    12
  • 精华

    0
  • 被关注

    0

论坛等级:游士

注册时间:2015-03-03

普通 普通 如何晋级?

发布于 2015-03-09 12:16:30

8楼

展开查看
以下是引用Laohuai在2015-03-06 23:56:26的发言 >5楼



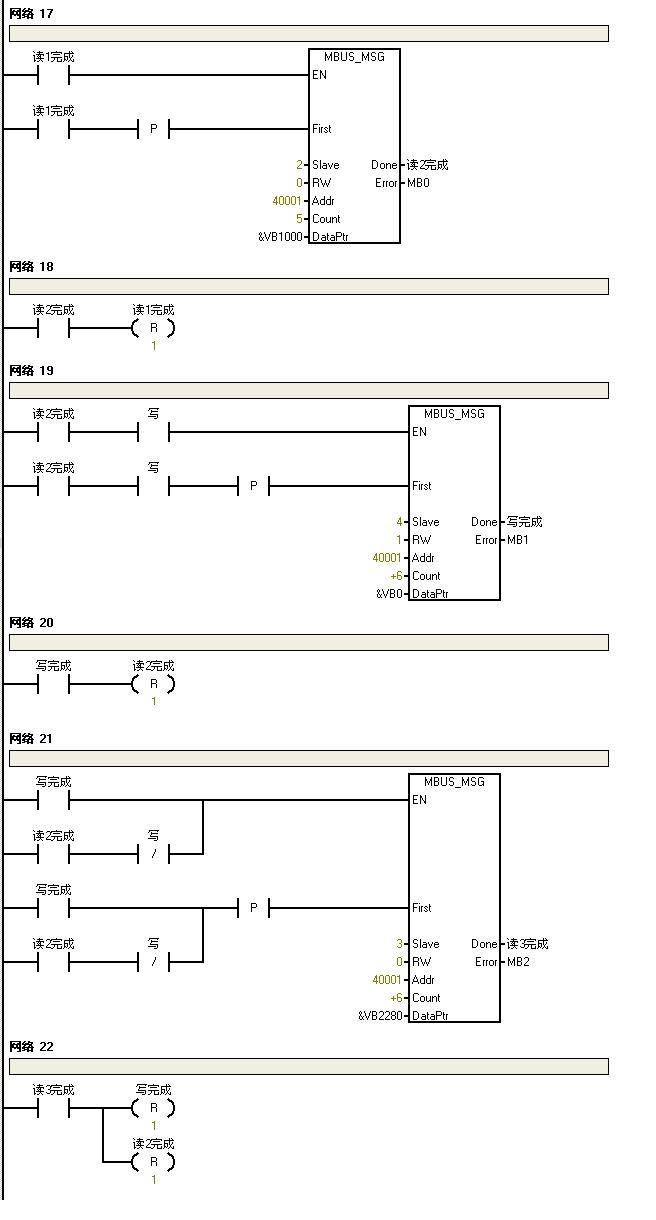
注意:写这个标志位在执行“写”和“读3” MSG的时候不可变位。
谢谢老师 给的参考
评论
编辑推荐: 关闭

请填写推广理由:

本版热门话题

SIMATIC S7-200

共有33300条技术帖

相关推荐

热门标签

相关帖子推荐

guzhang

恭喜,你发布的帖子

评为精华帖!

快扫描右侧二维码晒一晒吧!

再发帖或跟帖交流2条,就能晋升VIP啦!开启更多专属权限!

  • 分享

  • 只看
    楼主

top
X 图片
您收到0封站内信:
×
×
信息提示
很抱歉!您所访问的页面不存在,或网址发生了变化,请稍后再试。