关于S7-200的PTO运动控制

已锁定

dingolee

  • 帖子

    7
  • 精华

    0
  • 被关注

    0

论坛等级:游民

注册时间:2005-03-17

普通 普通 如何晋级?

关于S7-200的PTO运动控制

2063

4

2015-04-07 12:58:21

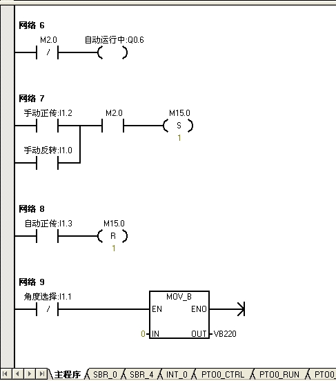
请高手帮忙分析一下,我做的一个简单的S7-200通过PTO向导生成的程序来控制一个V80动作,动作很简单,I1.0,I1.2为手动正传和反转按钮,按下去就转,松开就停,I1.3为自动按钮,按一下就根据设定好的包络线运行,包络线我设置了两段,通过旋钮I1.1进行切换,系统偶尔会出现不运行,手动,自动都不行,在线联机发现在PT00_RUN子程序中,VB400的值变成了128,我的包络线只有0和1两段,怎么出现了128,而且这是的状态手动自动都不动了,我没办法,发源程序重新下载一遍才恢复,请问程序上哪里有问题?











关于S7-200的PTO运动控制 已锁定
编辑推荐: 关闭

请填写推广理由:

本版热门话题

SIMATIC S7-200

共有33297条技术帖

相关推荐

热门标签

相关帖子推荐

guzhang

恭喜,你发布的帖子

评为精华帖!

快扫描右侧二维码晒一晒吧!

再发帖或跟帖交流2条,就能晋升VIP啦!开启更多专属权限!

  • 分享

  • 只看
    楼主

top
X 图片
您收到0封站内信:
×
×
信息提示
很抱歉!您所访问的页面不存在,或网址发生了变化,请稍后再试。