展开查看
以下是引用dengyisunzi在2015-04-11 19:19:28的发言 >4楼:是电流信号,请问输入并联的电阻在哪?变频器里面吗?我用的是两线制的电流信号的压力变送器
以下是引用yming在2015-04-11 09:33:30的发言 >:要看看模拟量输入是...
楼主你描述这个现象,我个人觉得是IO板模拟量输入烧了啦。
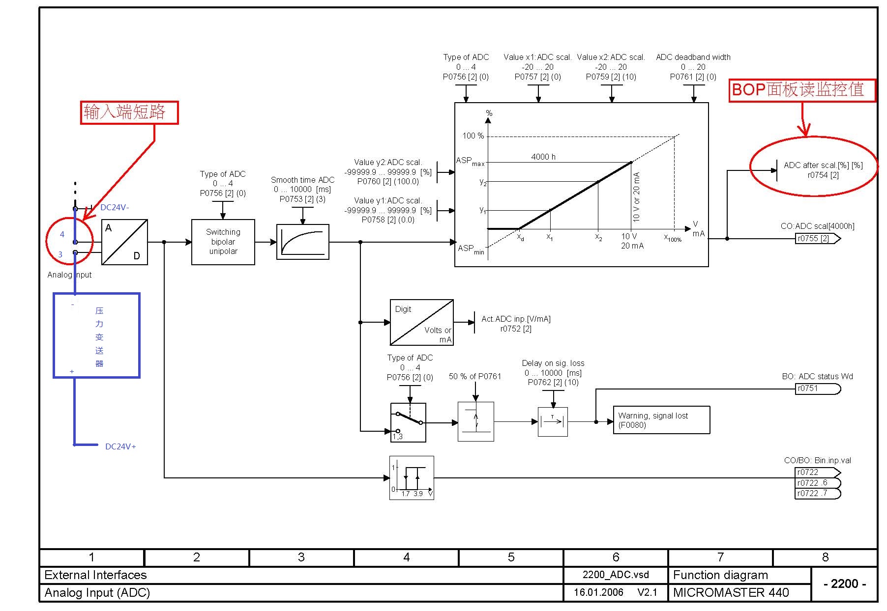
下面借用一下K版上传的图片,我又增加了左侧蓝色部分。

楼主利用MM440模拟量输入(比如ANI1的3和4端子),接二线制压力变送器,接线需要要串DC24V电源。
也就是压力变送器的L+接24V电源的正,压力变送器的L-接3#端子,4端接DC24V电源的负。
当更换压力变送器时没有断电,压力变送器2根线不小心碰了一下(也就是图中,压力变送器的+和-相连啦),后果你从图上看到了吧,DC24V电源短路啦,虽然时间很短,但瞬间的大电流足矣将模拟量输入烧毁。以后作业一定要小心,能断电就一定先断电,就是万不得已,也要拆一根线就用绝缘胶带包一根线,然后再处理其它的线。
MM440带二路模拟量输入和二路模拟量输出,楼主如另一路模拟量没有使用,可以试一试第二路模拟量输入,如果另外一路也不正常,只能更换新的IO板。
需要注意的是,对于模拟量输入,仅仅修改P756是不够的,还要将端子板上的DIP开关,必须设定为正确的位置。DIP1(左面)模拟量输入1设为OFF,表示0-10V,模拟量输入1设为ON,表示0-20mA。DIP2(右面)为模拟量输入2同理。DIP开关在IO板上(接线端子左上角处),控制板上也有二个DIP开关,不要搞混呀。
变频器模拟量输入查询r0752(模拟量输入实际值V或mA)r0752.0是模拟量输入1,r0752.1是模拟量输入2。
变频器模拟量输出查询r0774(模拟量输出实际值V或mA)r0774.0是模拟量输出1,r0774.1是模拟量输出2。
用万用表测量时,需要注意测量电流是需要串联进行测量。变频器模拟量输出为0~20mA输出,如果需要电压信号可以在相应端子并联一支500欧姆电阻。
最后说下我个人习惯,我在使用模拟量模块时,会在模拟量模块和变送器(传感器)之间加装信号隔离器,隔离器输出就变为4线制电流信号。
还有在使用PLC模拟量输入模块时,通常模块设置为4线制电流信号(也就是量程卡设为C),然后在模块和传感器之间加装信号隔离器。有些品牌的信号隔离器产品上面有个跳线可进行设置,这样无论带二线制传感器,还是四线制传感器,通过路线设置非常容易实现。
这样即使现场出现意外,只会烧信号隔离器,对PLC及模拟量模块可进行保护。虽然加装信号隔离器会使成本增加,但如果烧毁一个模拟量模块价格远远要大于信号隔离器的价格。
另外信号隔离器的作用也物超所值,它不仅能起隔离作用,还能解决各种干扰问题,同时也减少了日后设备维护的工作量。