一台北一机的小铣床B1-400K频繁烧接触器

已锁定

陆上行舟

  • 帖子

    1243
  • 精华

    7
  • 被关注

    36

论坛等级:奇侠

注册时间:2009-02-13

钻石 钻石 如何晋级?

一台北一机的小铣床B1-400K频繁烧接触器

2477

22

2015-04-14 15:06:12

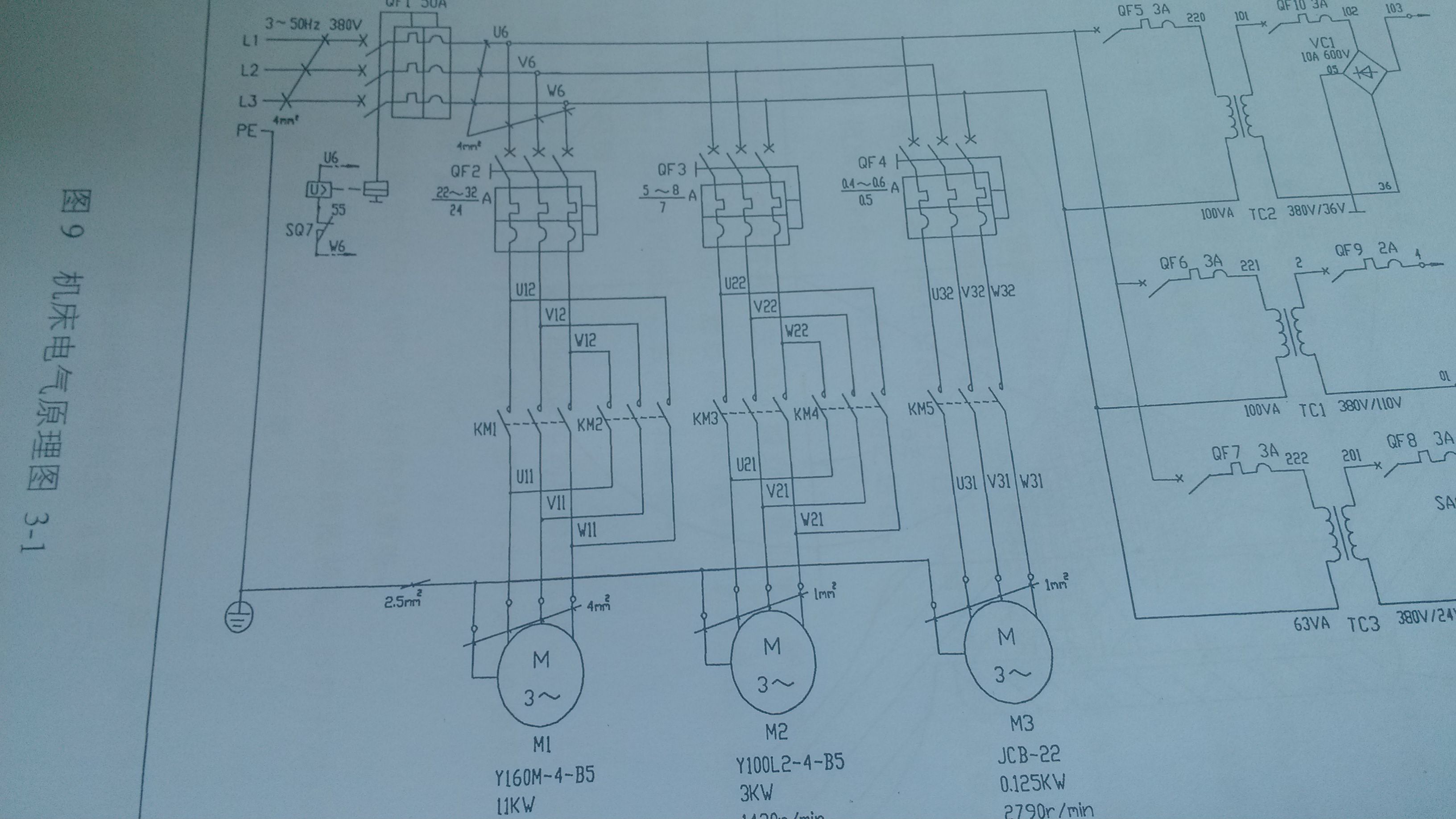
我单位有一台北一机的小铣床B1-400K,使用了四五年了。最近一年出现频繁的烧毁进给电机的接触器。大约不到一个月就需要更换这两个接触器(图中的KM3 KM4 )了。




该电机是三相380v,3kw电机,采用的接触器是CJX1-09接触器。该电机是作为进给电机,频繁切换正反转,以实现小铣床的前后、上下、左右进给。
不知道是什么原因,测量电流时也都在安全范围内的。
有人建议换更大一号的接触器。
想咨询下为什么CJX1-09的接触器在原来可以使用很久才换,现在怎么就不行了呢。

一台北一机的小铣床B1-400K频繁烧接触器 已锁定
编辑推荐: 关闭

请填写推广理由:

本版热门话题

低压电气

共有4307条技术帖

相关推荐

热门标签

相关帖子推荐

guzhang

恭喜,你发布的帖子

评为精华帖!

快扫描右侧二维码晒一晒吧!

再发帖或跟帖交流2条,就能晋升VIP啦!开启更多专属权限!

  • 分享

  • 只看
    楼主

top
X 图片
您收到0封站内信:
×
×
信息提示
很抱歉!您所访问的页面不存在,或网址发生了变化,请稍后再试。