for循环问题(多参数通过单地址下发)紧急!!

已锁定

小夜1

  • 帖子

    16
  • 精华

    0
  • 被关注

    0

论坛等级:游侠

注册时间:2014-07-29

普通 普通 如何晋级?

for循环问题(多参数通过单地址下发)紧急!!

1500

15

2015-04-26 17:15:32










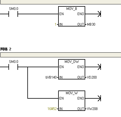
附件图片为具体的程序,只为参数下发的一个循环,现在起始下发地址为VW140,到最后一个参数VW190,把地址存入VD200作为间接寻址指针,下发参数的命令号vw140对应16#52为第一个,子程序中的参数*VD200对应的参数下发通道为VW10,vw208是命令号,对应的下发通道为vw8,vd204是镜像地址。
现在存在的问题是,这个程序是我从别的程序中的子程序拷贝过来的,在原程序中可以使用,命令号和参数都能正常下发,但是拷到我现在的程序中就不能正常下发参数了,VW8(命令号)显示10和20不停地跳,vw10(参数)显示的是2048(vd200的高位显示的数字),急求高手解答,谢谢!
for循环问题(多参数通过单地址下发)紧急!! 已锁定
编辑推荐: 关闭

请填写推广理由:

本版热门话题

SIMATIC S7-200

共有33297条技术帖

相关推荐

热门标签

相关帖子推荐

guzhang

恭喜,你发布的帖子

评为精华帖!

快扫描右侧二维码晒一晒吧!

再发帖或跟帖交流2条,就能晋升VIP啦!开启更多专属权限!

  • 分享

  • 只看
    楼主

top
X 图片
您收到0封站内信:
×
×
信息提示
很抱歉!您所访问的页面不存在,或网址发生了变化,请稍后再试。