回复:我也有点懵圈

yming

版主 西门子1847工业学习平台

  • 帖子

    23251
  • 精华

    882
  • 被关注

    1260

论坛等级:至圣

注册时间:2004-03-06

钻石 钻石 如何晋级?

发布于 2015-06-16 09:19:15

15楼

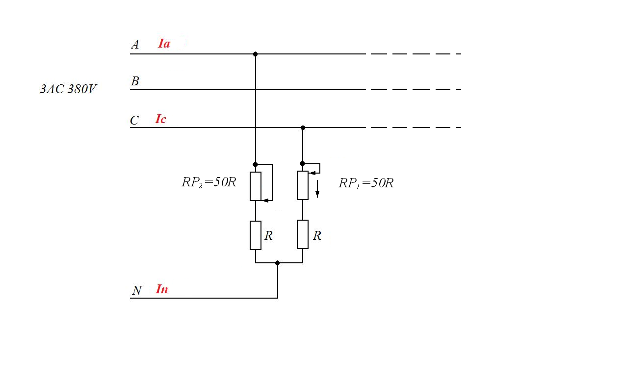
如果在电路中添加两个可调电阻(如下图),观察中性线 In的电流。



那么在时域中,In上的电流是啥样的呢?
学而时习之,不亦说乎?温故而知新,不亦乐乎?
评论
编辑推荐: 关闭

请填写推广理由:

本版热门话题

MicroMaster

共有6822条技术帖

相关推荐

热门标签

相关帖子推荐

guzhang

恭喜,你发布的帖子

评为精华帖!

快扫描右侧二维码晒一晒吧!

再发帖或跟帖交流2条,就能晋升VIP啦!开启更多专属权限!

  • 分享

  • 只看
    楼主

top
X 图片
您收到0封站内信:
×
×
信息提示
很抱歉!您所访问的页面不存在,或网址发生了变化,请稍后再试。