回复:300实现5行八列LED灯控制

fatesong

  • 帖子

    24
  • 精华

    0
  • 被关注

    0

论坛等级:游士

注册时间:2014-03-03

普通 普通 如何晋级?

发布于 2015-06-27 20:39:26

5楼

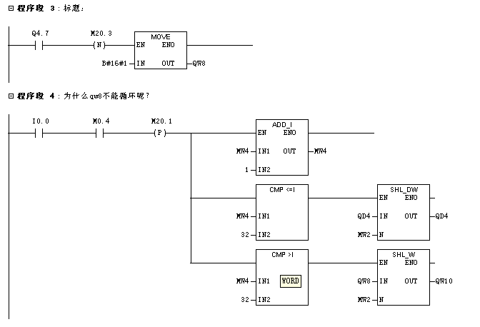
这是全部程序你看看哪里出问题了,qd4正常循环,qw8循环一次后就不循环了,mw4没超限。







评论
编辑推荐: 关闭

请填写推广理由:

本版热门话题

SIMATIC S7-300/400

共有54775条技术帖

相关推荐

热门标签

相关帖子推荐

guzhang

恭喜,你发布的帖子

评为精华帖!

快扫描右侧二维码晒一晒吧!

再发帖或跟帖交流2条,就能晋升VIP啦!开启更多专属权限!

  • 分享

  • 只看
    楼主

top
X 图片
您收到0封站内信:
×
×
信息提示
很抱歉!您所访问的页面不存在,或网址发生了变化,请稍后再试。