回复:曲线记录的速度实际值KK91有波动时怎么回事

nnnn1234

  • 帖子

    5016
  • 精华

    57
  • 被关注

    224

论坛等级:至圣

注册时间:2010-02-22

钻石 钻石 如何晋级?

发布于 2015-07-15 12:55:11

11楼

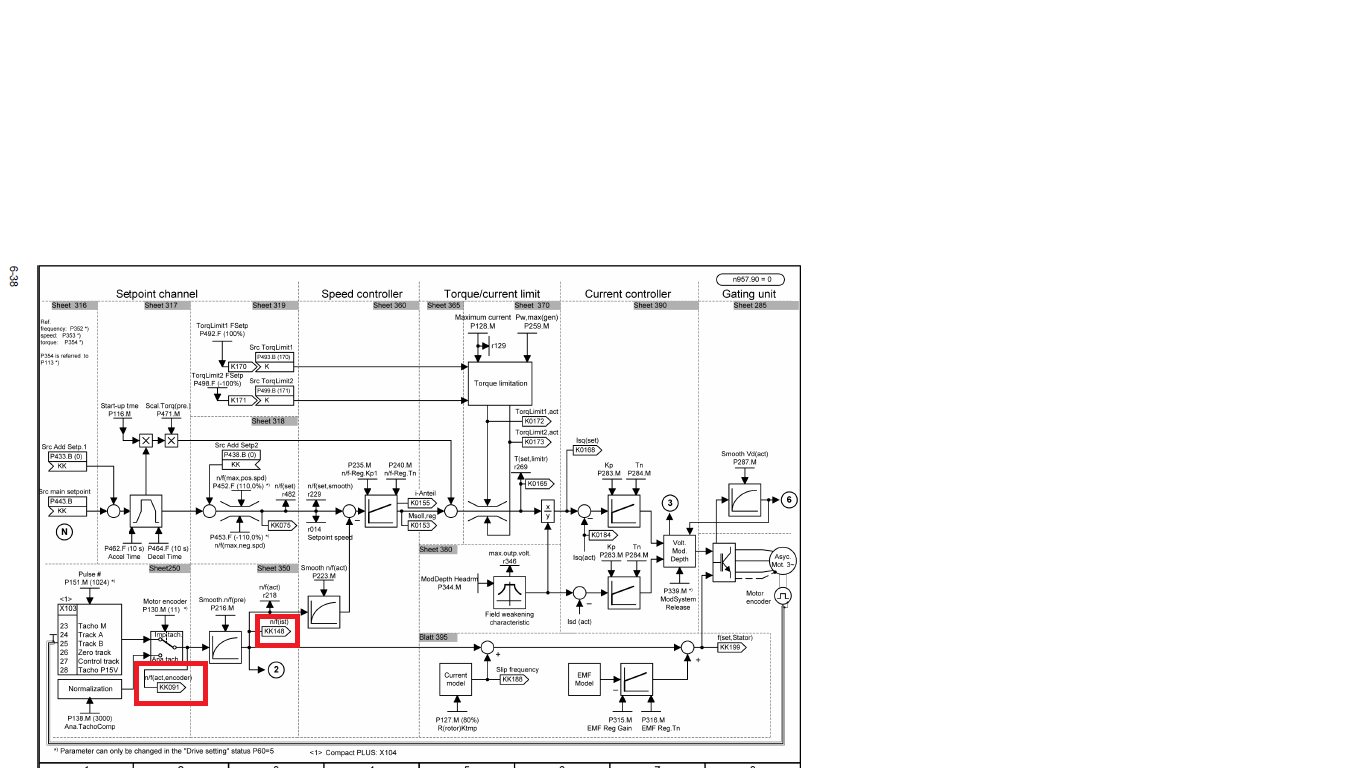
KK0091是实际值,电机测速机或者编码器的速度反馈值。K148是实际值滤波后的值或者是无测速装置时估算值。 如下:



The darkness is no darkness with thee.
评论
编辑推荐: 关闭

请填写推广理由:

本版热门话题

MasterDrives

共有5854条技术帖

相关推荐

热门标签

相关帖子推荐

guzhang

恭喜,你发布的帖子

评为精华帖!

快扫描右侧二维码晒一晒吧!

再发帖或跟帖交流2条,就能晋升VIP啦!开启更多专属权限!

  • 分享

  • 只看
    楼主

top
X 图片
您收到0封站内信:
×
×
信息提示
很抱歉!您所访问的页面不存在,或网址发生了变化,请稍后再试。