smart st60 与艾默生EV1000 modbus通讯问题

已锁定

wunai3783

  • 帖子

    2
  • 精华

    0
  • 被关注

    0

论坛等级:新手

注册时间:2011-01-11

普通 普通 如何晋级?

smart st60 与艾默生EV1000 modbus通讯问题

583

1

2015-07-17 22:43:21

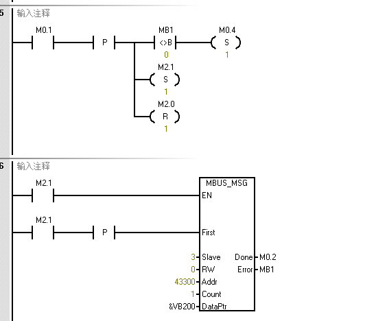
第一次用这个 不知道程序哪里出了问题 第二个MSG总报6错误 不知道为什么







smart st60 与艾默生EV1000 modbus通讯问题 已锁定
编辑推荐: 关闭

请填写推广理由:

本版热门话题

SIMATIC S7-200 SMART

共有9145条技术帖

相关推荐

热门标签

相关帖子推荐

guzhang

恭喜,你发布的帖子

评为精华帖!

快扫描右侧二维码晒一晒吧!

再发帖或跟帖交流2条,就能晋升VIP啦!开启更多专属权限!

  • 分享

  • 只看
    楼主

top
X 图片
您收到0封站内信:
×
×
信息提示
很抱歉!您所访问的页面不存在,或网址发生了变化,请稍后再试。