回复:37KW的电机采用星三启动时,星形启动时正常,但转换成三角形时电机出现嗡鸣声,电机停机。是怎么回事?

Danielcjd

  • 帖子

    521
  • 精华

    11
  • 被关注

    203

论坛等级:奇侠

注册时间:2009-09-28

普通 普通 如何晋级?

发布于 2015-08-18 15:28:45

7楼

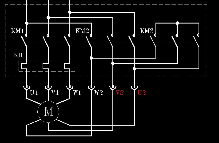
建议检查一下接触器接线与电机6根线之间的连接线,并校验一下线路,是否有接错的可能。

这6根线两头最好要分别做好标记,如U1、V1、W1、U2、V2、W2。然后,接线时按规范接线。这样就不会造成楼主所描述的现象。

现附上星三角接线主回路图。

星三角启动主回路.jpg


I love Siemens
评论
编辑推荐: 关闭

请填写推广理由:

本版热门话题

电机

共有3172条技术帖

相关推荐

热门标签

相关帖子推荐

guzhang

恭喜,你发布的帖子

评为精华帖!

快扫描右侧二维码晒一晒吧!

再发帖或跟帖交流2条,就能晋升VIP啦!开启更多专属权限!

  • 分享

  • 只看
    楼主

top
X 图片
您收到0封站内信:
×
×
信息提示
很抱歉!您所访问的页面不存在,或网址发生了变化,请稍后再试。