回复:6SE70的数字量输出

RENHQ

西门子1847工业学习平台

  • 帖子

    13853
  • 精华

    61
  • 被关注

    2189

论坛等级:至圣

注册时间:2008-12-28

钻石 钻石 如何晋级?

发布于 2015-08-22 20:32:34

1楼

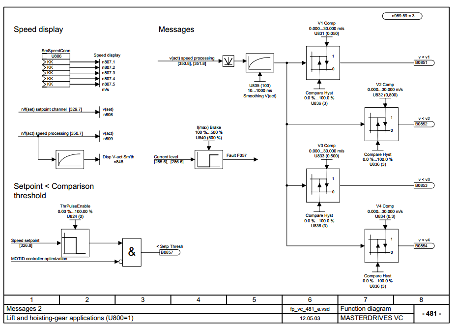
U835:实际速度的滤波

U831:比较速度值1

输出端子设置B851

参照功能图481和相关参数说明


Q群:https://jq.qq.com/?k=9BDuEgf6
评论
编辑推荐: 关闭

请填写推广理由:

本版热门话题

MasterDrives

共有5854条技术帖

相关推荐

热门标签

相关帖子推荐

guzhang

恭喜,你发布的帖子

评为精华帖!

快扫描右侧二维码晒一晒吧!

再发帖或跟帖交流2条,就能晋升VIP啦!开启更多专属权限!

  • 分享

  • 只看
    楼主

top
X 图片
您收到0封站内信:
×
×
信息提示
很抱歉!您所访问的页面不存在,或网址发生了变化,请稍后再试。