回复:【分享】西门子PS307电源供电问题

威师爷

  • 帖子

    5108
  • 精华

    47
  • 被关注

    255

论坛等级:至圣

注册时间:2013-09-18

普通 普通 如何晋级?

发布于 2015-08-27 22:22:11

2楼

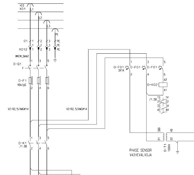
 左下角是变压器,一相接入380V 另外N接入02 端 0V/PE

工业起重机防摇摆 QQ:404136820 AntiSwayControl
评论
编辑推荐: 关闭

请填写推广理由:

本版热门话题

工业电源

共有405条技术帖

相关推荐

热门标签

相关帖子推荐

guzhang

恭喜,你发布的帖子

评为精华帖!

快扫描右侧二维码晒一晒吧!

再发帖或跟帖交流2条,就能晋升VIP啦!开启更多专属权限!

  • 分享

  • 只看
    楼主

top
X 图片
您收到0封站内信:
×
×
信息提示
很抱歉!您所访问的页面不存在,或网址发生了变化,请稍后再试。