回复:wincc dtpicker

xunan0539

  • 帖子

    3
  • 精华

    0
  • 被关注

    0

论坛等级:新手

注册时间:2015-08-27

普通 普通 如何晋级?

发布于 2015-08-28 09:42:00

3楼

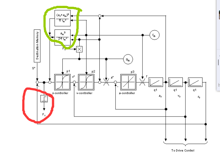
好的!下图是个自动生成S曲线的框图,我不太懂红色框中这个模块的作用,另外绿色框中是位移补偿值,这两个值是怎么得来的也不太明白。谢谢您!

评论
编辑推荐: 关闭

请填写推广理由:

本版热门话题

SIMATIC WinCC / Panel

共有32986条技术帖

相关推荐

热门标签

相关帖子推荐

guzhang

恭喜,你发布的帖子

评为精华帖!

快扫描右侧二维码晒一晒吧!

再发帖或跟帖交流2条,就能晋升VIP啦!开启更多专属权限!

  • 分享

  • 只看
    楼主

top
X 图片
您收到0封站内信:
×
×
信息提示
很抱歉!您所访问的页面不存在,或网址发生了变化,请稍后再试。