回复:S7 200 定时器复用碰到的问题

sayhier

  • 帖子

    70
  • 精华

    1
  • 被关注

    1

论坛等级:游侠

注册时间:2005-05-25

普通 普通 如何晋级?

发布于 2015-08-31 16:50:30

1楼

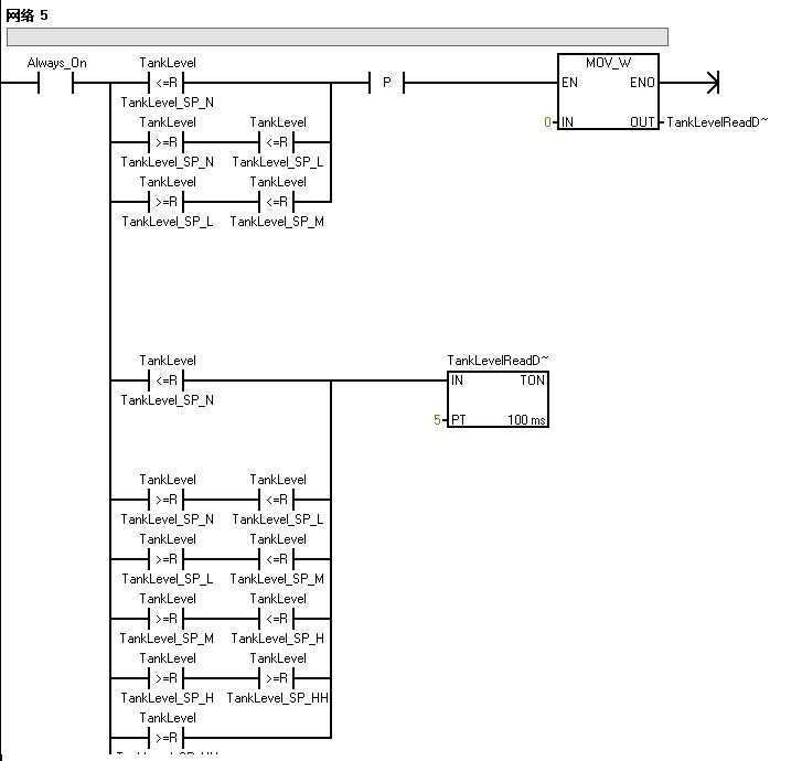
我尝试在每个液位区间的上升沿来为定时器写0,也不行


评论
编辑推荐: 关闭

请填写推广理由:

本版热门话题

SIMATIC S7-200

共有33306条技术帖

相关推荐

热门标签

相关帖子推荐

guzhang

恭喜,你发布的帖子

评为精华帖!

快扫描右侧二维码晒一晒吧!

再发帖或跟帖交流2条,就能晋升VIP啦!开启更多专属权限!

  • 分享

  • 只看
    楼主

top
X 图片
您收到0封站内信:
×
×
信息提示
很抱歉!您所访问的页面不存在,或网址发生了变化,请稍后再试。