SFC读取系统时间进行比较问题

已锁定

fatesong

  • 帖子

    24
  • 精华

    0
  • 被关注

    0

论坛等级:游士

注册时间:2014-03-03

普通 普通 如何晋级?

SFC读取系统时间进行比较问题

1225

10

2015-09-12 21:22:17

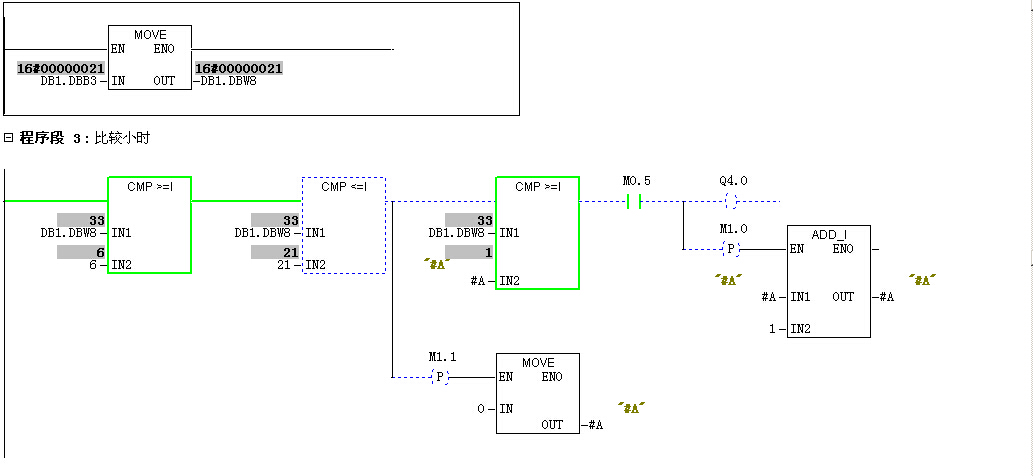
这个问题好像是老生常谈了啊,但是我还是不明白。

这里显示的是16进制,但是我比较的地方用的为10进制,DB1.DBW8我在DB1中声明为INT类型,没有自动转换,

我实现的是几点钟(6~21)闪烁几次,这个地方正确的比较方式是什么?

希望我描述的问题应该算是清楚。

SFC读取系统时间进行比较问题 已锁定
编辑推荐: 关闭

请填写推广理由:

本版热门话题

SIMATIC S7-300/400

共有54778条技术帖

相关推荐

热门标签

相关帖子推荐

guzhang

恭喜,你发布的帖子

评为精华帖!

快扫描右侧二维码晒一晒吧!

再发帖或跟帖交流2条,就能晋升VIP啦!开启更多专属权限!

  • 分享

  • 只看
    楼主

top
X 图片
您收到0封站内信:
×
×
信息提示
很抱歉!您所访问的页面不存在,或网址发生了变化,请稍后再试。