字节位移传递时的时间点控制问题。

已锁定

submarine

西门子1847工业学习平台

  • 帖子

    172
  • 精华

    0
  • 被关注

    2

论坛等级:侠士

注册时间:2008-09-26

普通 普通 如何晋级?

字节位移传递时的时间点控制问题。

545

3

2015-09-20 12:02:25

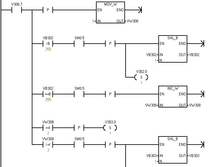
在编程的时候有个小问题上来请教一下。

在做位移时,在2个字节间的传递发现一个问题,如果当最后位满了后想传递到下一个字节的时候(包括字与双字),因为使能都是用SM0.5来激活的,所以当激活字节的第一位时,会同时传递到第二位。就是说当M1.0和M1.1同时会被激活。我现在用一个比较笨点的方法就是计数,当M0.7=1时开始计数,INC_W MW2。MW2=3的时候才开始shl_b mb1。感觉应该会有更好的思路。请指正。

字节位移传递时的时间点控制问题。 已锁定
编辑推荐: 关闭

请填写推广理由:

本版热门话题

SIMATIC S7-200

共有33303条技术帖

相关推荐

热门标签

相关帖子推荐

guzhang

恭喜,你发布的帖子

评为精华帖!

快扫描右侧二维码晒一晒吧!

再发帖或跟帖交流2条,就能晋升VIP啦!开启更多专属权限!

  • 分享

  • 只看
    楼主

top
X 图片
您收到0封站内信:
×
×
信息提示
很抱歉!您所访问的页面不存在,或网址发生了变化,请稍后再试。