回复:G120变频器GU250S-2抱闸时序控制

kdrjl

版主 西门子1847工业学习平台

  • 帖子

    36785
  • 精华

    452
  • 被关注

    1459

论坛等级:至圣

注册时间:2003-06-06

钻石 钻石 如何晋级?

发布于 2015-09-26 20:34:20

1楼

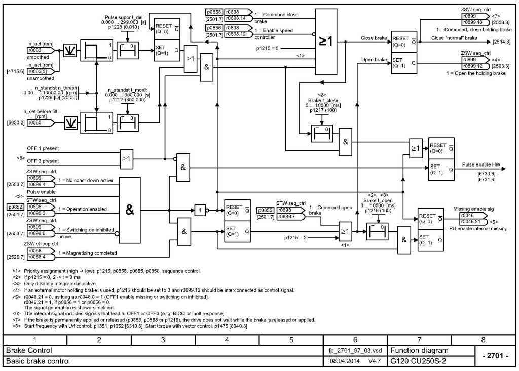
像这样的问题,很难告诉你确切的信息。抱闸控制,动作的时机选择与具体系统有关系,与经验值也有关系。不是有一张功能图专门讲抱闸控制的吗?最好自己实践一下,然后把问题和现象晒出来,再去讨论,会比较好谈。


我是你的朋友
评论
编辑推荐: 关闭

请填写推广理由:

本版热门话题

SINAMICS

共有8163条技术帖

相关推荐

热门标签

相关帖子推荐

guzhang

恭喜,你发布的帖子

评为精华帖!

快扫描右侧二维码晒一晒吧!

再发帖或跟帖交流2条,就能晋升VIP啦!开启更多专属权限!

  • 分享

  • 只看
    楼主

top
X 图片
您收到0封站内信:
×
×
信息提示
很抱歉!您所访问的页面不存在,或网址发生了变化,请稍后再试。