这是现场最近出现的毛病,3kw的MM440变频器,无论频率给定多少,但是反馈一直是最低频率5Hz。

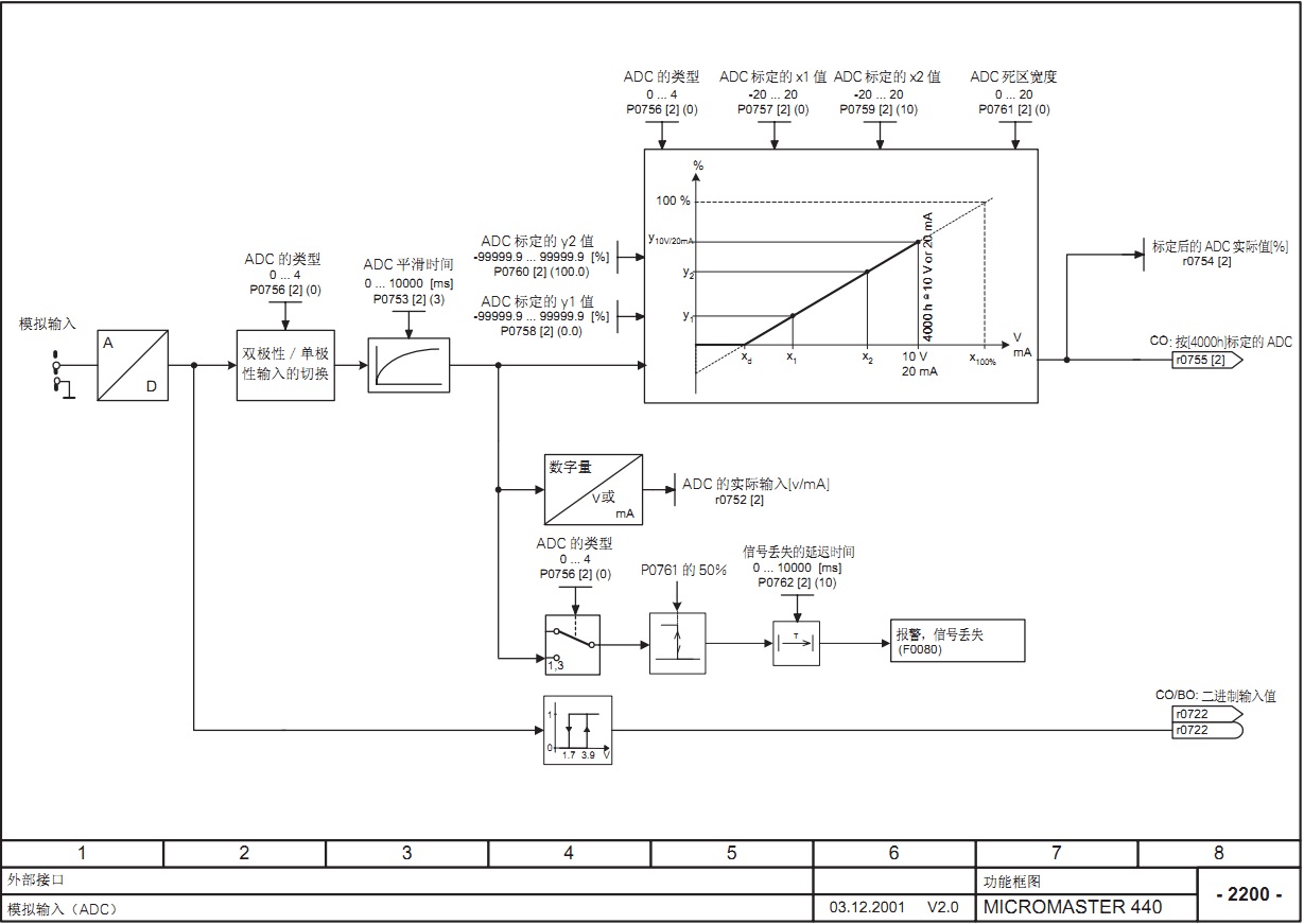
模拟输入端子X10、X11测得ma量给定正常,r752、r754也能正常跟踪DCS给定,ADC类型设定及量程设定也没有问题,但是r20监视的值一直为5Hz。(P1080设定为5Hz)

P771设定为24,DAC类型设置及量程标定正常,r774监视的值为5.6ma,差不多5Hz。更改p771为p2890,然后手动给定p2890,r774能正常跟踪,X12、X13输出端子测量ma量也正常。
从上边来看,外部给定信号没有问题,变频器内部ADC通道也正常,变频器DAC通道也正常,问题好像出在给定和反馈之间的连接上,功能框图上对这个的描述也没多大的可操作性,现在问题卡在这里不知道怎么解决,实在不行打算恢复出厂重新灌参数算了。