回复:MM440频率给定的怪现象

kdrjl

版主 西门子1847工业学习平台

  • 帖子

    36785
  • 精华

    452
  • 被关注

    1459

论坛等级:至圣

注册时间:2003-06-06

钻石 钻石 如何晋级?

发布于 2015-10-04 18:51:53

2楼

第一,劝楼主别一遇到问题就工厂化参数设置,那样的话,总是弄不明白的。


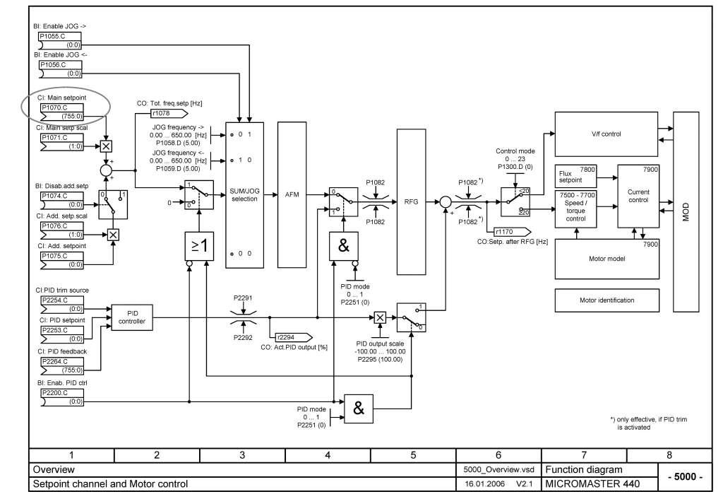
第二,你没有看看下面这张图,P1070 = ?


第三,你可以通过修改P0719的值,连接你想控制方式。试完了再将其改回原设置。这样不会伤及其他。


我是你的朋友
评论
编辑推荐: 关闭

请填写推广理由:

本版热门话题

MicroMaster

共有6823条技术帖

相关推荐

热门标签

相关帖子推荐

guzhang

恭喜,你发布的帖子

评为精华帖!

快扫描右侧二维码晒一晒吧!

再发帖或跟帖交流2条,就能晋升VIP啦!开启更多专属权限!

  • 分享

  • 只看
    楼主

top
X 图片
您收到0封站内信:
×
×
信息提示
很抱歉!您所访问的页面不存在,或网址发生了变化,请稍后再试。