怎么样把比较值 置零用一个按钮就好

已锁定

最后yi扳手

  • 帖子

    104
  • 精华

    0
  • 被关注

    21

论坛等级:侠客

注册时间:2014-11-12

普通 普通 如何晋级?

怎么样把比较值 置零用一个按钮就好

458

1

2015-10-26 11:45:29

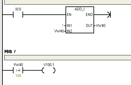
刚刚入门新手请大师 们指点下

怎么样把比较值 置零用一个按钮就好 或者用一个开关 是不是把VW40 清零了就可以啊 

怎么样把比较值 置零用一个按钮就好 已锁定
编辑推荐: 关闭

请填写推广理由:

本版热门话题

SIMATIC S7-200

共有33306条技术帖

相关推荐

热门标签

相关帖子推荐

guzhang

恭喜,你发布的帖子

评为精华帖!

快扫描右侧二维码晒一晒吧!

再发帖或跟帖交流2条,就能晋升VIP啦!开启更多专属权限!

  • 分享

  • 只看
    楼主

top
X 图片
您收到0封站内信:
×
×
信息提示
很抱歉!您所访问的页面不存在,或网址发生了变化,请稍后再试。