PORTAL 平台移植程序问题

已锁定

Tech.Wing

  • 帖子

    1327
  • 精华

    3
  • 被关注

    36

论坛等级:侠圣

注册时间:2008-05-04

普通 普通 如何晋级?

PORTAL 平台移植程序问题

304

0

2015-11-02 18:37:54

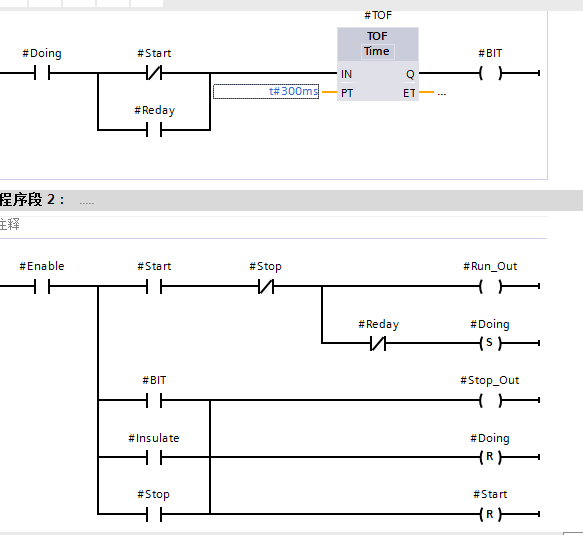
由STEP7移植一套程序进入PORTAL V13,使用中发现,原来在多重背景设置的定时器(TOF、TON),无法在PORTAL执行。

发帖请教,针对这种现象,如何处理,是否在PORTAL,不能以这种方式获得延时?




上述程序中,BIT一直被置位,执行时,发现STOP_OUT有信号输出300ms,但是START、DOING置位后被复位。原因为TOF执行导致。

PORTAL 平台移植程序问题 已锁定
编辑推荐: 关闭

请填写推广理由:

本版热门话题

SIMATIC S7-300/400

共有54764条技术帖

相关推荐

热门标签

相关帖子推荐

guzhang

恭喜,你发布的帖子

评为精华帖!

快扫描右侧二维码晒一晒吧!

再发帖或跟帖交流2条,就能晋升VIP啦!开启更多专属权限!

  • 分享

  • 只看
    楼主

top
X 图片
您收到0封站内信:
×
×
信息提示
很抱歉!您所访问的页面不存在,或网址发生了变化,请稍后再试。