回复:300编程问题

LJCLWYF

  • 帖子

    569
  • 精华

    0
  • 被关注

    34

论坛等级:侠圣

注册时间:2011-08-13

黄金 黄金 如何晋级?

发布于 2015-11-17 17:25:01

8楼

     我觉得有两个方面需要注意一下。1,逻辑程序最好是无条件调用,比如当I0.0为0时FC1里的某个位被激活(不管是线圈指令还是置位指令)了,又没有复位,然后I0.0为1了,FC1就扫描不到了,被激活的位是不会复位的。这方面的知识可以参考下面的链接:

http://www.ad.siemens.com.cn/club/bbs/post_elite.aspx?b_id=3&a_id=1103303

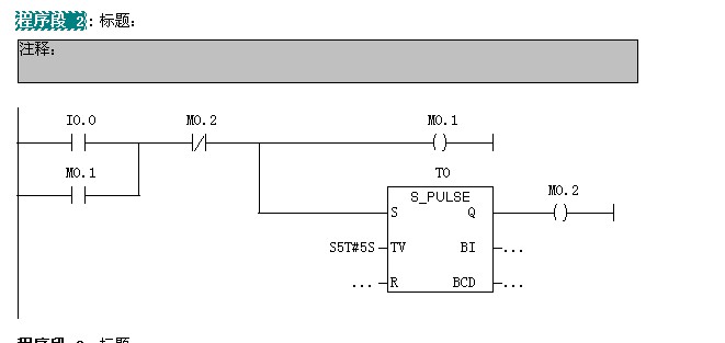
 2.对于300的S5TIME定时器,因其刷新周期和扫描周期不一致,按下面的截图方法来用比较好,否则容易出错。



具体事项可以参考下面链接:

http://www.ad.siemens.com.cn/club/bbs/post.aspx?b_id=4&a_id=508976&s_id=0&num=128
















学无止境
评论
编辑推荐: 关闭

请填写推广理由:

本版热门话题

SIMATIC S7-300/400

共有54643条技术帖

相关推荐

热门标签

相关帖子推荐

guzhang

恭喜,你发布的帖子

评为精华帖!

快扫描右侧二维码晒一晒吧!

再发帖或跟帖交流2条,就能晋升VIP啦!开启更多专属权限!

  • 分享

  • 只看
    楼主

top
X 图片
您收到0封站内信:
×
×
信息提示
很抱歉!您所访问的页面不存在,或网址发生了变化,请稍后再试。