回复:6RA70主板上编码器信号连接

kdrjl

西门子1847工业学习平台

  • 帖子

    36656
  • 精华

    451
  • 被关注

    1445

论坛等级:至圣

注册时间:2003-06-06

钻石 钻石 如何晋级?

发布于 2015-11-26 19:47:27

8楼

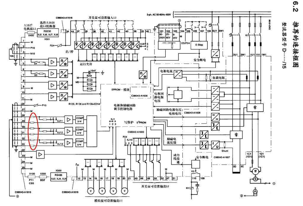
嗯,24是差动放大器接法。但是我那时没有过编码器,用的是测速机。嘿嘿,所以没印象。但是用70我一直都是单端输入模式,只不过年头多了,习惯像交流的用法,才导致有感触哇。


24的接口:

我是你的朋友
评论
编辑推荐: 关闭

请填写推广理由:

本版热门话题

直流调速器

共有3828条技术帖

相关推荐

热门标签

相关帖子推荐

guzhang

恭喜,你发布的帖子

评为精华帖!

快扫描右侧二维码晒一晒吧!

再发帖或跟帖交流2条,就能晋升VIP啦!开启更多专属权限!

  • 分享

  • 只看
    楼主

top
您收到0封站内信:
×
×
信息提示
很抱歉!您所访问的页面不存在,或网址发生了变化,请稍后再试。