回复:变频器G120,V/F曲线参数设置。

kdrjl

版主 西门子1847工业学习平台

  • 帖子

    36772
  • 精华

    452
  • 被关注

    1455

论坛等级:至圣

注册时间:2003-06-06

钻石 钻石 如何晋级?

发布于 2015-12-10 20:05:16

2楼

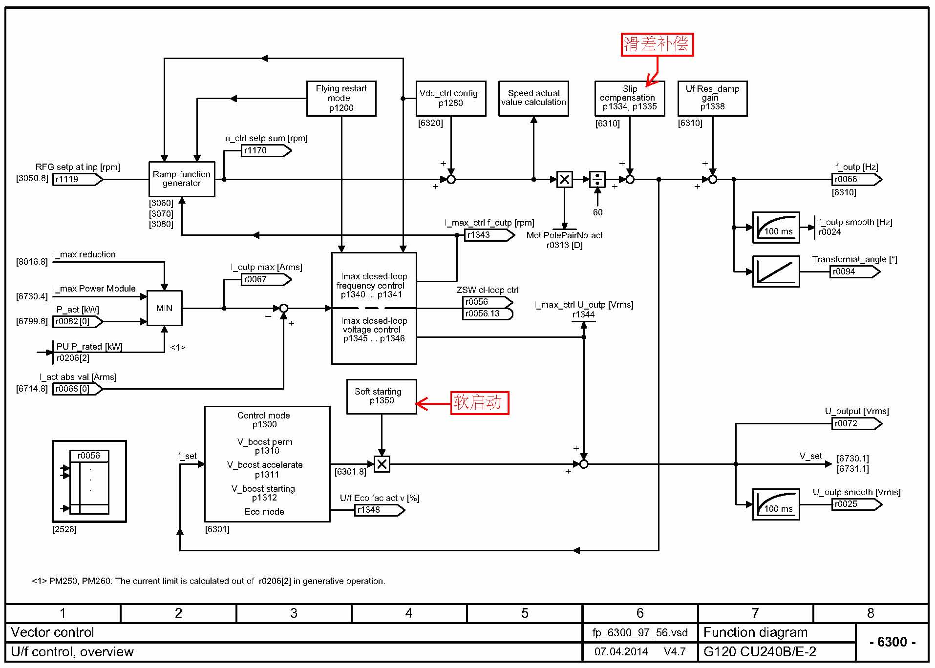
V/F控制最简单的控制。


第一步,《快速调试》按流程一步一步的操作,输入过载倍数和电机铭牌数据;


第二步,只做静态计算和P1910 = 1的辨识(合闸启动);


第三步,下图示两个参数可设可不设。

我是你的朋友
评论
编辑推荐: 关闭

请填写推广理由:

本版热门话题

MicroMaster

共有6822条技术帖

相关推荐

热门标签

相关帖子推荐

guzhang

恭喜,你发布的帖子

评为精华帖!

快扫描右侧二维码晒一晒吧!

再发帖或跟帖交流2条,就能晋升VIP啦!开启更多专属权限!

  • 分享

  • 只看
    楼主

top
X 图片
您收到0封站内信:
×
×
信息提示
很抱歉!您所访问的页面不存在,或网址发生了变化,请稍后再试。