回复:MM440功能框图怎么看?

HUO1921

  • 帖子

    152
  • 精华

    6
  • 被关注

    32

论坛等级:侠圣

注册时间:2012-07-20

普通 普通 如何晋级?

发布于 2015-12-14 08:41:05

16楼

展开查看
以下是引用没有以后的以后在2015-12-13 21:56:04的发言 >15楼

 我还真没看到过群主发图看看好吗

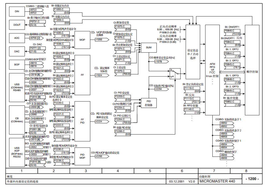
外部和内部设定值的连接

hongxi-002@qq.com
评论
编辑推荐: 关闭

请填写推广理由:

本版热门话题

MicroMaster

共有6823条技术帖

相关推荐

热门标签

相关帖子推荐

guzhang

恭喜,你发布的帖子

评为精华帖!

快扫描右侧二维码晒一晒吧!

再发帖或跟帖交流2条,就能晋升VIP啦!开启更多专属权限!

  • 分享

  • 只看
    楼主

top
X 图片
您收到0封站内信:
×
×
信息提示
很抱歉!您所访问的页面不存在,或网址发生了变化,请稍后再试。