回复:求教!MM440控制水泵恒压补水,如何让反馈信号到达设定值时,水泵停止?

永远不变

  • 帖子

    100
  • 精华

    1
  • 被关注

    21

论坛等级:侠客

注册时间:2010-11-30

普通 普通 如何晋级?

发布于 2015-12-18 14:05:06

2楼

西门子MM系列变频器在恒压供水或补水的系统中应用已经非常广泛,大家一般都认为恒压供水就是一个PID的控制模式,并没有什么复杂,其实不然。恒压供水系统涉及到很多方面的因素,电气控制只是其中一部分。


首先是水泵的选择、另外是管网管径的选择、供水水质即水的浑浊度(是城市供水还是排污水或是特殊的用水),很多人会忽视这点,这对水泵的良好运行会起到关键的作用,还有就是压力变送器的精度及反馈信号的调试。


调试过程中,我一般会首先确定压力变送器的稳定性,首先我会工频打压,即确定满速的时候管网压力能否会达到设计要求,压力变送器的反馈信号的波动范围大不大(一般是4-20mA信号),对于供水和补水,压力变送器的安装位置也有讲究。确定压力变送器的反馈信号后,就可以使用变频的PID调试了。


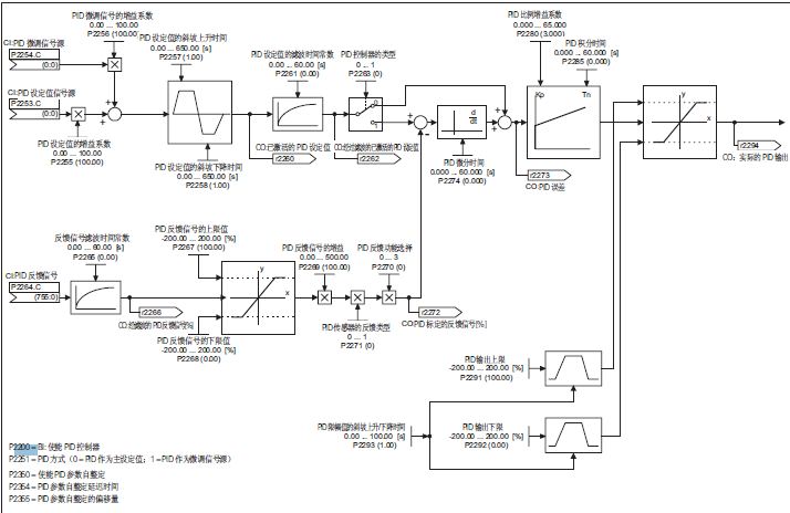
西门子MM430,440里面提供了PID功能的丰富应用,具体见功能图,不过现在很多现场是在PLC里做PID运算,其实就应用来说,我个人偏好变频器里做PID功能。


就楼上问题来说,首先现场压力变送器的反馈信号是否标定正确,参考MM440变频器模拟量相关功能图,另外是否存在波动,使用模拟量的话波动可能不可避免,这就需要相应的滤波功能或者设置一些死区范围(可在PLC或变频器内做,看你现场是怎么用的了),否者变频器会连续起停,造成对变频器和整个管网的影响。这是很关键的,我一般会设置一个死区来控制。


另外MM440里提供了丰富的自由功能块,有相关的比较功能可以使用,切记压力变送器反馈信号最好经过隔离器,确保管网的水压与压力变送器的量程对应,另外若使用变频器内部PID控制,最好PID输出经过RFG后输出。

捕获.JPG

每天一小步,成长一大步
评论
编辑推荐: 关闭

请填写推广理由:

本版热门话题

MicroMaster

共有6823条技术帖

相关推荐

热门标签

相关帖子推荐

guzhang

恭喜,你发布的帖子

评为精华帖!

快扫描右侧二维码晒一晒吧!

再发帖或跟帖交流2条,就能晋升VIP啦!开启更多专属权限!

  • 分享

  • 只看
    楼主

top
X 图片
您收到0封站内信:
×
×
信息提示
很抱歉!您所访问的页面不存在,或网址发生了变化,请稍后再试。