回复:【问】基于6RA80装置的12脉动串联调试遇到问题

老兵veteran

版主

  • 帖子

    10110
  • 精华

    509
  • 被关注

    579

论坛等级:至圣

注册时间:2004-03-11

钻石 钻石 如何晋级?

发布于 2015-12-21 21:08:37

3楼

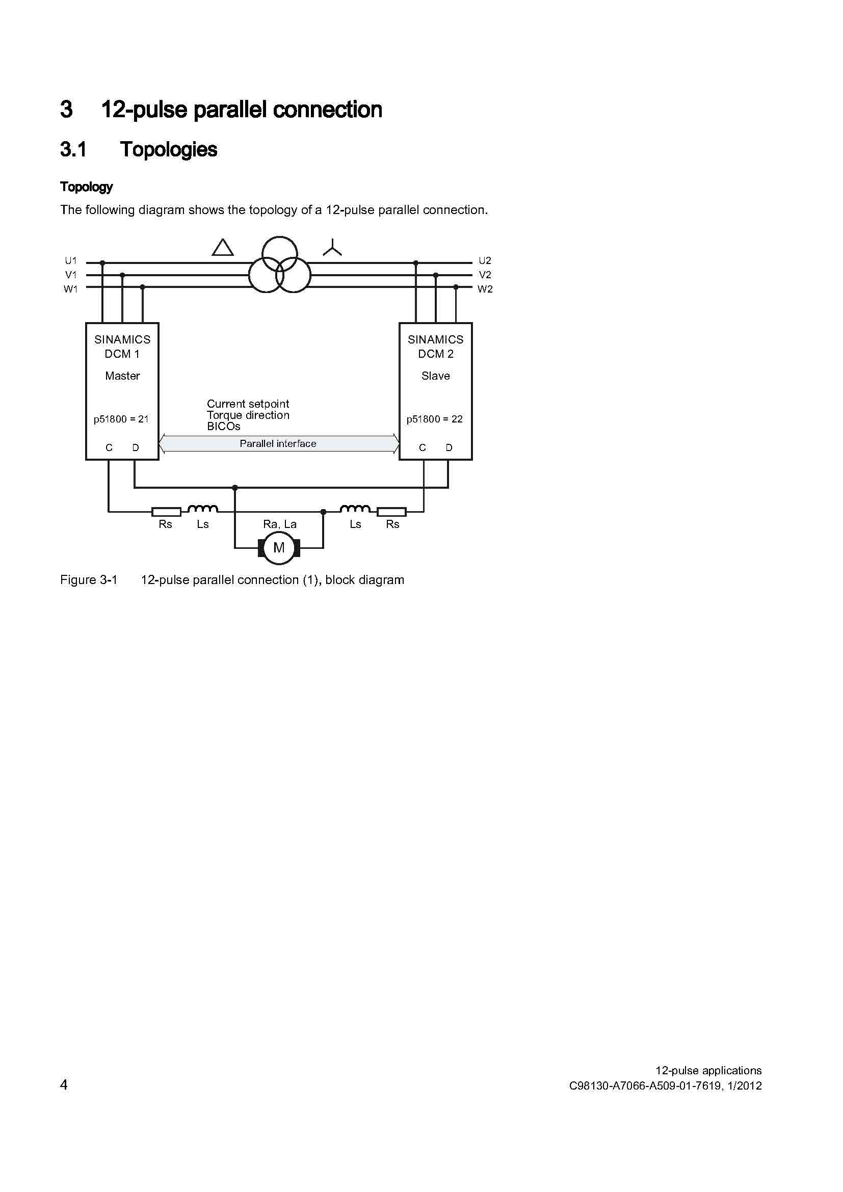
 第一张图是12脉动并联需要均衡电抗器。

第二张图是12脉动串联,不需要均衡电阻。

天生不宜做胜利者,自来没有胜利的欲望,只是不甘失败,十分十分不甘心失败。木心
评论
编辑推荐: 关闭

请填写推广理由:

本版热门话题

直流调速器

共有3849条技术帖

相关推荐

热门标签

相关帖子推荐

guzhang

恭喜,你发布的帖子

评为精华帖!

快扫描右侧二维码晒一晒吧!

再发帖或跟帖交流2条,就能晋升VIP啦!开启更多专属权限!

  • 分享

  • 只看
    楼主

top
X 图片
您收到0封站内信:
×
×
信息提示
很抱歉!您所访问的页面不存在,或网址发生了变化,请稍后再试。