请教:SM331模块只接一根线就检测溢出

已锁定

阿旭007

  • 帖子

    14
  • 精华

    0
  • 被关注

    1

论坛等级:游士

注册时间:2009-01-19

普通 普通 如何晋级?

请教:SM331模块只接一根线就检测溢出

344

2

2015-12-30 09:53:38

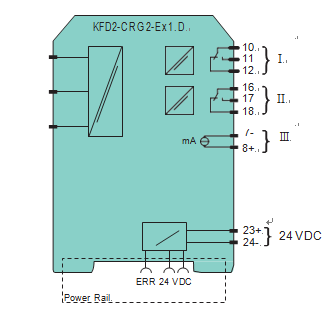
向各位请教个问题:公司有个投料设备,开始投料时需检测喷淋水流量,符合要求开始动作,之前一直用PLC程序做的联锁,这次安全审核后要求增加安全继电器,所以加了个P+F的隔离式安全栅,可是增加了这个之后,输出端一接线,哪怕就接一根线,PLC端就溢出(没有用电脑监控,这是个从站,从触摸屏上看的,触摸屏没有接线为###,接一根线就变成1422了,量程最多是1200.)。量程卡选择的是4线制,因为不在同一电柜内,两个电柜的直流电源负也已经接在一起了。之前没有用这个的时候好好的,现在一下就不行了,想不通。这个P+F是原先设备的拆机件,后来在另一台设备上被用作普通的隔离变送器使用,都没有问题。


请各位指点迷津!


请教:SM331模块只接一根线就检测溢出 已锁定
编辑推荐: 关闭

请填写推广理由:

本版热门话题

SIMATIC S7-300/400

共有54703条技术帖

相关推荐

热门标签

相关帖子推荐

guzhang

恭喜,你发布的帖子

评为精华帖!

快扫描右侧二维码晒一晒吧!

再发帖或跟帖交流2条,就能晋升VIP啦!开启更多专属权限!

  • 分享

  • 只看
    楼主

top
X 图片
您收到0封站内信:
×
×
信息提示
很抱歉!您所访问的页面不存在,或网址发生了变化,请稍后再试。