回复:S120 调节性接口模块X609接线问题

北雪雪纷飞

版主 西门子1847工业学习平台

  • 帖子

    6293
  • 精华

    279
  • 被关注

    559

论坛等级:至圣

注册时间:2010-11-11

白金 白金 如何晋级?

发布于 2015-12-30 15:37:17

1楼

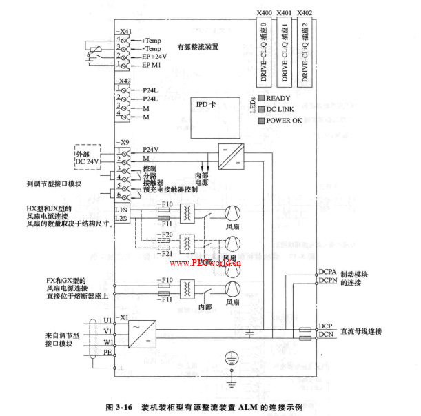
给两张接线图,,看看,,

预充电接触器与分路接触器、电抗器,滤波器等是机柜内部自带的,,在AIM接口模块内部。。






Thank you for the support.
评论
编辑推荐: 关闭

请填写推广理由:

本版热门话题

SINAMICS

共有8230条技术帖

相关推荐

热门标签

相关帖子推荐

guzhang

恭喜,你发布的帖子

评为精华帖!

快扫描右侧二维码晒一晒吧!

再发帖或跟帖交流2条,就能晋升VIP啦!开启更多专属权限!

  • 分享

  • 只看
    楼主

top
X 图片
您收到0封站内信:
×
×
信息提示
很抱歉!您所访问的页面不存在,或网址发生了变化,请稍后再试。