回复:PN/PN耦合器的疑问

linuxforever

  • 帖子

    548
  • 精华

    0
  • 被关注

    31

论坛等级:侠圣

注册时间:2010-06-24

普通 普通 如何晋级?

发布于 2016-01-12 22:58:41

2楼

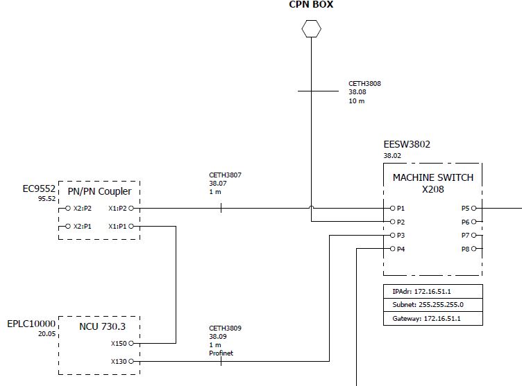
弱弱的问一下,西门子的交换机作用是不是网口的扩展啊?因为我看到硬件组态里的那些个设备都是挂在profinet总线下面的,包括X208交换机。


另外,为什么从NCU的X130口出来还要接到X208上去啊?感觉X130到X208的线是多余的啊!

评论
编辑推荐: 关闭

请填写推广理由:

本版热门话题

SIMATIC S7-300/400

共有54791条技术帖

相关推荐

热门标签

相关帖子推荐

guzhang

恭喜,你发布的帖子

评为精华帖!

快扫描右侧二维码晒一晒吧!

再发帖或跟帖交流2条,就能晋升VIP啦!开启更多专属权限!

  • 分享

  • 只看
    楼主

top
X 图片
您收到0封站内信:
×
×
信息提示
很抱歉!您所访问的页面不存在,或网址发生了变化,请稍后再试。