回复:求助MM430恒压供水系统问题

huhuhaha

  • 帖子

    14
  • 精华

    1
  • 被关注

    0

论坛等级:游民

注册时间:2016-01-16

普通 普通 如何晋级?

发布于 2016-01-16 22:50:12

5楼

展开查看
以下是引用kdrjl在2016-01-16 20:52:01的发言 >3楼

唉,不是没人回复,而是此问题太宽泛,不知从何处切入好。

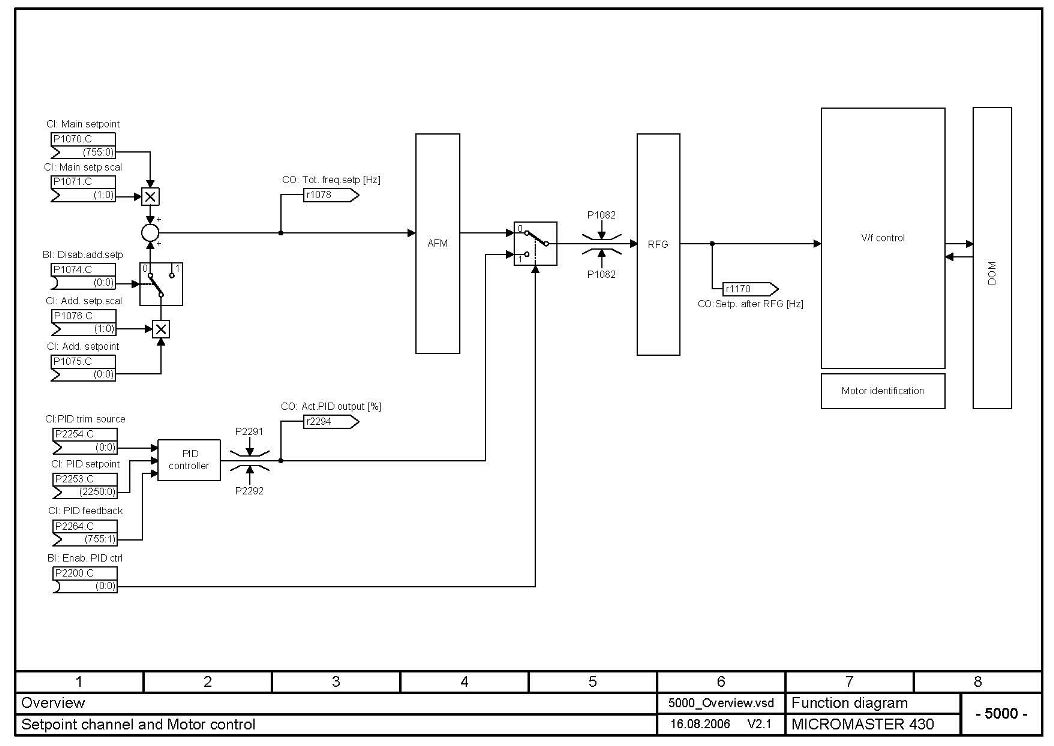
先上两张图示,第一张图是PID的作用,楼主的问题系统,PID是作为主控制输入呢?还作为微调输入?这是原系统的控制结构。要搞清楚。如果不知道你现在PID的调节结构,没法说呀。话题就多了。

请原谅小白,能不能给点基础资料让我学习一下,根据厂家留下的资料,他应该是做了一个PID闭环设置,

p2253  pid设定信号源  2250  

p2264  PID反馈信号    755

p2280  比例常数       0.4

p2285  积分常数       0.15


p2240  PID压力设定值% 56  压力取0.9


我能查到的资料就这么一点,今天没有敢调比例及积分,调了一个斜坡下限时间及压力设定值,变频器都能正常自动运行,我最后动了一个最低运行频率后,让我后悔的事情就出来了,变频器切到自动后,电机不启动,把最低运行频率改回去都没用,哭死了

评论
编辑推荐: 关闭

请填写推广理由:

本版热门话题

MicroMaster

共有6821条技术帖

相关推荐

热门标签

相关帖子推荐

guzhang

恭喜,你发布的帖子

评为精华帖!

快扫描右侧二维码晒一晒吧!

再发帖或跟帖交流2条,就能晋升VIP啦!开启更多专属权限!

  • 分享

  • 只看
    楼主

top
您收到0封站内信:
×
×
信息提示
很抱歉!您所访问的页面不存在,或网址发生了变化,请稍后再试。